CM3-13 A-R-G-E-AQQE C1-A-A-N
CM 3-13 A-R-G-E-AQQE C1-A-A-N
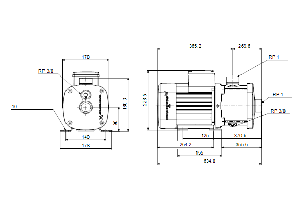
Kompaktowa, niezawodna, pozioma, wielostopniowa pompa odśrodkowa z osiowym wlotem i króćcem ssawnym oraz promieniowym króćcem tłocznym. Części pompy będące w kontakcie z cieczą są wykonane ze stali nierdzewnej wysokiej jakości. Mechanicznym uszczelnieniem wału jest specjalnie zaprojektowane, nieodciążone uszczelnienie z O-ringiem. Przyłączenie rurociągów odbywa się za pomocą wewnętrznych gwintów rurowych Whitwortha, Rp (ISO 7/1).
Pompa jest wyposaż
Dane logistyczne
Opakowanie zbiorcze 1
Jednostka zbiorcza opak.
warstwa
Ilość
3
Masa brutto [kg]
90,288
Długość [m]
1,2
Szerokość [m]
0,8
Wysokość [m]
0,36
Opakowanie zbiorcze 2
Jednostka zbiorcza opak.
paleta
Ilość
6
Masa brutto [kg]
180,576
Długość [m]
1,2
Szerokość [m]
0,8
Wysokość [m]
0,876








