Wilo-MVIS 203-1/16/K/3-400-50-2 wysokociśnieniowa cicha pompa do wody
Samoodpowietrzająca pompa o konstrukcji kompaktowej dysponuje bezstopniowym wałem silnika/pompy oraz łożyskiem po stronie silnika. Wszystkie części hydrauliczne i mające kontakt z medium są wykonane ze stali nierdzewnej. Podłączenie za pomocą kołnierzy owalnych.
Pompa jest przeznaczona do zaopatrzenia w wodę i podwyższania ciśnienia.
Cechy szczególne/zalety produktu
*Technologia bezdławnicowa
*Niemal bezgłośna praca (urządzenie nawet o 20 dB(A) cichsze niż konwencjonalne pompy)
*Kompaktowa konstrukcja o niewielkich wymogach przestrzennych
*Niemal niewymagający konserwacji dzięki konstrukcji bez użycia uszczelnień mechanicznych
Zakres dostawy
*Wysokociśnieniowa pompa wirowa Wilo-Multivert MVIS
*Instrukcja montażu i obsługi
*Przeciwkołnierze z żeliwa szarego i odpowiednie śruby, nakrętki i uszczelki
Wskazówki odnośnie do konstrukcji
*Opcjonalne, wkładane moduły IF
Dane eksploatacyjne
Dane produktu
*Min. temperatura przetłaczanej cieczy: -15 oC
*Maks. temperatura przetłaczanej cieczy: 50 oC
*Maks. temperatura otoczenia: 40 oC
*Maks. ciśnienie robocze: 16 bar
*Ciśnienie na dopływie: 10 bar
Dane silnika
*Przyłącze sieciowe:
*Tolerancja napięcia:
*Znamionowa moc silnika: 450
*Prąd znamionowy: 2,6 A
*Znamionowa prędkość obrotowa: 2900 Obroty / min
*Klasa izolacji: F
*Stopień ochrony:
Materiały
*Korpus pompy: Stal nierdzewna
*Wirnik: Stal nierdzewna
*Wał: Stal nierdzewna
*Materiał uszczelnienia:
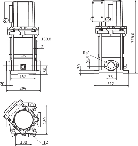
Wymiary montażowe
*Przyłącze gwintowane po stronie ssawnej: G 1
*Przyłącze gwintowane po stronie tłocznej: G 1
Informacje na temat umiejscowienia zamówień
*Produkt:
*Nazwa produktu: Multivert MVIS 203
*Masa netto ok.: 17 kg
*Numer artykułu: 2009034
Dane techniczne
Częstotliwość
50 Hz
Gatunek materiału korpusu pompy
Stal nierdzewna 304
Gatunek materiału połączenia
Stal nierdzewna 304
Gatunek materiału wirnika
Stal nierdzewna 304
Klasa ciśnienia kołnierza przyłącza wlotowego
PN 16
Klasa ciśnienia kołnierza przyłącza wylotowego
PN 16
Klasa izolacji wg IEC
F
Kształt końcówki
Inne
Liczba faz
3
Maks. ciśnienie robocze [bar]
16
Maks. wydajność (maks. przepływ) [m³/h]
5
Maks. wysokość podnoszenia [m]
30,65
Materiał korpusu pompy
Stal nierdzewna
Materiał połączenia
Stal nierdzewna
Materiał wirnika
Stal nierdzewna
Moc oddawana silnika (P2) [kW]
0,45
Przyłącze od strony wlotowej
Gwint zewnętrzny gazowy walcowy
Przyłącze po stronie wylotowej
Gwint zewnętrzny gazowy walcowy
Prąd znamionowy [A]
2,6
Prędkość obrotowa [obr/min]
2900
Rodzaj przyłącza wlotowego
ISO 228-1
Rodzaj przyłącza wylotowego
ISO 228-1
Stopień ochrony (IP)
IP44
Wskaźnik minimalnej sprawności (MEI)
0,4
Zakres napięcia znamionowego [V]
400
Średnica nominalna przyłącza od strony wlotowej
1 cal
Średnica nominalna przyłącza od strony wylotowej
1 cal
Średnica zewnętrzna przyłącza od strony wylotowej [mm]
25
Dane logistyczne
Opakowanie zbiorcze 1
Długość [m]
0,386
Szerokość [m]
0,392
Wysokość [m]
0,418







