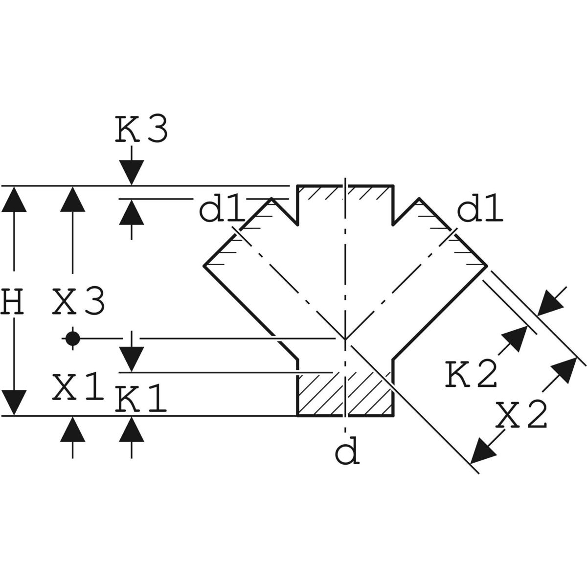
Czwórnik GEBERIT HDPE polietylen, 110 mm x 40 mm x 40 mm x 110 mm DN 100 x DN 40 x DN 40 x DN 100, sw x sw x sw x sw
Zastosowanie
- Do maszyn do zgrzewania Media i Universal
- Do naprężania rurociągów i kształtek
Właściwości
- Chromowany
Zakres dostawy
- Uchwyt mocujący lewy
- Uchwyt mocujący prawy
Dane techniczne
Gatunek materiału
PE-80
Grubość ściany połączenia 1 [mm]
4,3
Grubość ściany połączenia 2 [mm]
3
Grubość ściany połączenia 3 [mm]
3
Grubość ściany połączenia 4 [mm]
4,3
Materiał
Polietylen
Model
Inne
Nominalna średnica wewnętrzna połączenia 3
DN 40
Nominalna średnica wewnętrzna połączenia 4
DN 100
Obróbka powierzchni
Stan surowy
Połączenie 1
SW
Połączenie 2
SW
Połączenie 3
SW
Połączenie 4
SW
Rura systemowa
Tak
Znamionowa średnica wewnętrzna połączenia 1
DN 100
Znamionowa średnica wewnętrzna połączenia 2
DN 40
Średnica zewnętrzna rury połączenia 1 [mm]
110
Średnica zewnętrzna rury połączenia 2 [mm]
40
Średnica zewnętrzna rury połączenia 3 [mm]
40
Średnica zewnętrzna rury połączenia 4 [mm]
110







