Czwórnik GEBERIT HDPE polietylen, 110 mm x 56 mm x 56 mm x 110 mm DN 100 x DN 100, sw x sw x sw x sw
Dane techniczne
-
MateriałMosiądz DR CW602N
Zastosowanie
- Do gazów ziemnych
- Do gazów płynnych
- Do gazu ziemnego i gazów płynnych
Właściwości
- Wskaźnik zaciśnięcia
- Połączenie szczelne dopiero po zaprasowaniu
- Zaznaczono na żółto
- Uszczelka z HNBR żółta
- Mufa zaprasowywana z żółtą zaślepką ochronną
Dane techniczne
Gatunek materiału
PE-80
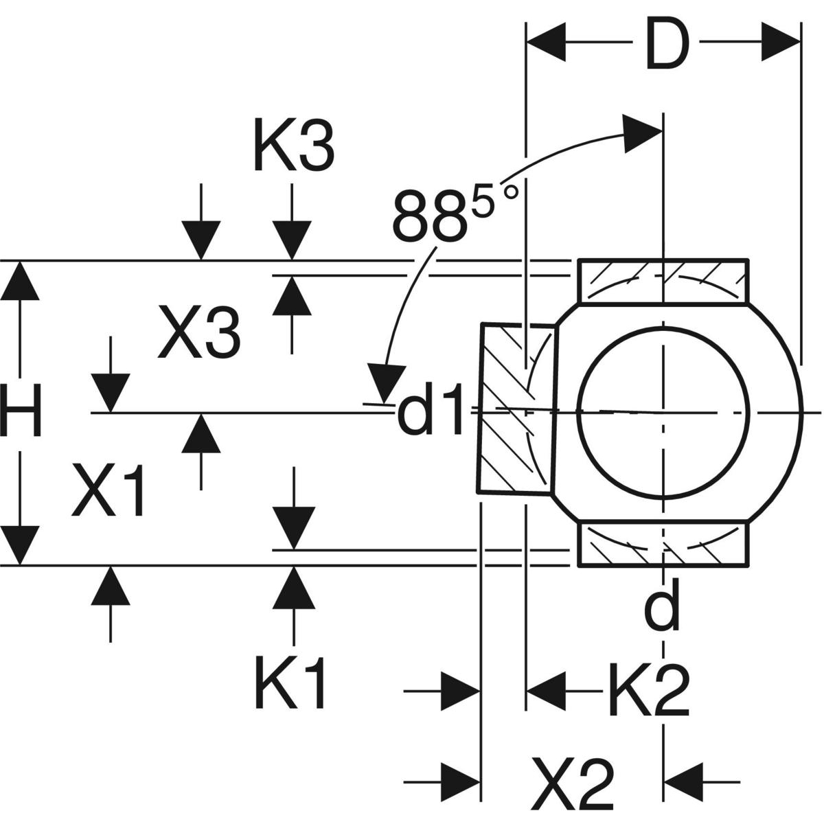
Grubość ściany połączenia 1 [mm]
4,3
Grubość ściany połączenia 2 [mm]
3
Grubość ściany połączenia 3 [mm]
3
Grubość ściany połączenia 4 [mm]
4,3
Materiał
Polietylen
Model
Inne
Nominalna średnica wewnętrzna połączenia 4
DN 100
Obróbka powierzchni
Stan surowy
Połączenie 1
SW
Połączenie 2
SW
Połączenie 3
SW
Połączenie 4
SW
Rura systemowa
Tak
Znamionowa średnica wewnętrzna połączenia 1
DN 100
Średnica zewnętrzna rury połączenia 1 [mm]
110
Średnica zewnętrzna rury połączenia 2 [mm]
56
Średnica zewnętrzna rury połączenia 3 [mm]
56
Średnica zewnętrzna rury połączenia 4 [mm]
110







