Grupa bezpieczeństwa RUMET c.w.u. G 3/4 x G 1/2 mosiądz
|
charakterystyka
|
opakowanie - ilość szt.
|
masa jedn.
|
nr kat.
|
|||||||||||||||||
|
G1
|
G2
|
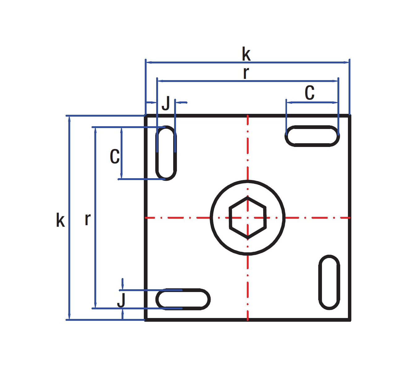
k
|
J
|
r
|
c
|
L
|
m
|
N
|
F
|
w
|
h1
|
h2
|
h3
|
S1
|
S2
|
S3
|
woreczek
|
karton
|
kg
|
|
|
3/4"
|
1/2"
|
85
|
9
|
72
|
20
|
251
|
95
|
-
|
180
|
46
|
-
|
-
|
19
|
-
|
-
|
-
|
-
|
1
|
1,794
|
CW1060
|
|
3/4"
|
1/2"
|
85
|
9
|
72
|
20
|
251
|
95
|
80
|
180
|
46
|
-
|
12
|
19
|
30
|
27 |
-
|
-
|
1
|
1,948 |
CW1061
|
|
3/4"
|
1/2"
|
85
|
9
|
72
|
20
|
251
|
95
|
80
|
180
|
46
|
11
|
12
|
-
|
30
|
27
|
27
|
-
|
1
|
1,894
|
CW1062
|
Dane techniczne
Materiał korpusu
mosiądz
Nominalna średnica wewnętrzna
3/4''
Rodzaj połączenia
Gwint zewnętrzny
Dane logistyczne
Opakowanie zbiorcze 1
Jednostka zbiorcza opak.
worek








