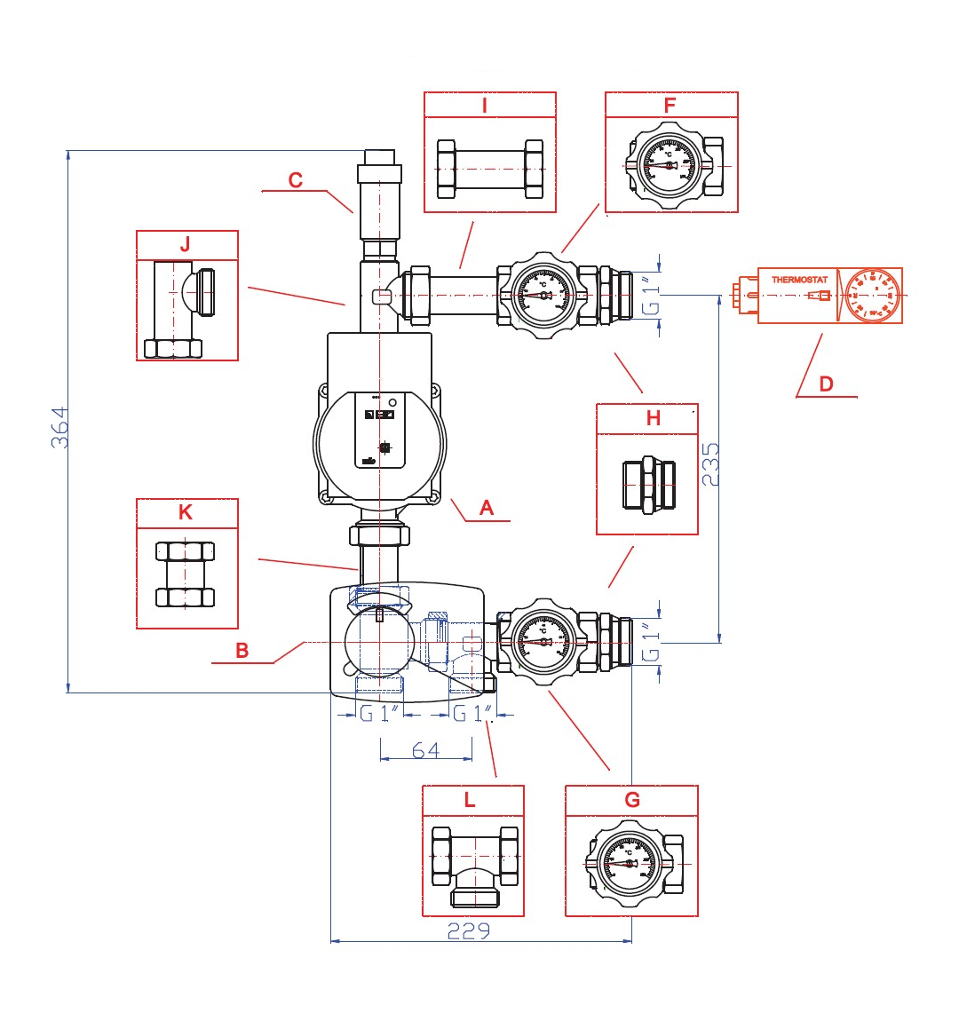
Grupa pompowa RUMET W40ARA VRG130 ARA600
|
charakterystyka
|
opakowanie - ilość szt.
|
masa jedn.
|
nr kat.
|
||||||
|
A
|
B
|
C
|
G
|
E
|
Kv
|
woreczek
|
karton
|
kg
|
|
|
~371
|
235
|
~228
|
1"
|
50
|
2,5
|
-
|
1
|
4,35
|
W4021ARA
|
|
~371
|
235
|
~228
|
1"
|
50
|
4
|
-
|
1
|
4,35
|
W4022ARA
|
|
~371
|
235
|
~228
|
1"
|
50
|
6,3
|
-
|
1
|
4,35
|
W4023ARA
|
Dane techniczne
Rozmiar przyłącza pompy
1''
Wartość Kvs
6,3
Z zaworem mieszającym
Tak
Z zaworem termostatycznym
Tak
Do pobrania
Dane logistyczne
Opakowanie zbiorcze 1
Jednostka zbiorcza opak.
worek








