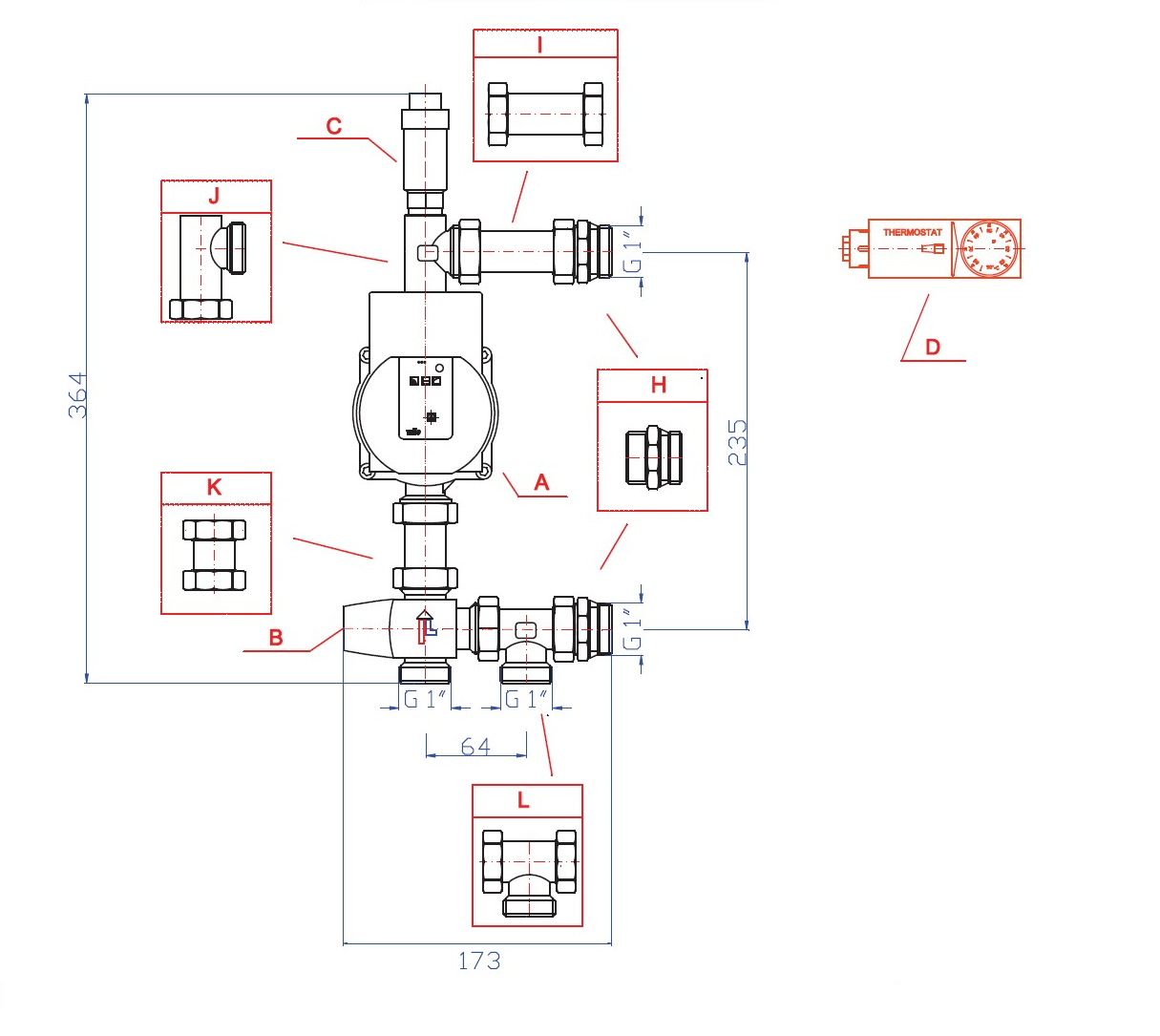
Grupa pompowa RUMET WE40 VTA322 Kvs 1,6
|
charakterystyka
|
opakowanie - ilość szt.
|
masa jedn.
|
nr kat.
|
||||||
|
A
|
B
|
C
|
G
|
Kv
|
zakres
|
woreczek
|
karton
|
kg
|
|
|
~371
|
235
|
~172
|
1"
|
1,6
|
20°-43°C
|
-
|
1
|
4,8
|
WE40322-43
|
|
~371
|
235
|
~172
|
1"
|
1,6
|
35°-60°C
|
-
|
1
|
4,8
|
WE40322-60
|
|
~371
|
235
|
~172
|
1"
|
2,3
|
20°-43°C
|
-
|
1
|
4,8
|
WE40372-43
|
|
~371
|
235
|
~172
|
1"
|
2,3
|
35°-60°C
|
-
|
1
|
4,8
|
WE40372-60
|
Dane techniczne
Rozmiar przyłącza pompy
1''
Wartość Kvs
1,6
Z zaworem mieszającym
Tak
Z zaworem termostatycznym
Tak
Do pobrania
Dane logistyczne
Opakowanie zbiorcze 1
Jednostka zbiorcza opak.
opak








