Jednostopniowa pompa monoblokowa z wlotem osiowym NB 50-200/219AAF2AESBQQEQW1
NB 50-200/219 AAF2AESBQQEQW1
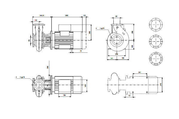
Normalnie ssąca, jednostopniowa pompa odśrodkowa zaprojektowana zgodnie z ISO 5199, o wymiarach i nominalnych osiągach wg EN 733 (10 bar). Wyposażona jest w kołnierze typu PN 16 o wymiarach według EN 1092-2. Pompa wyposażona jest w osiowy króciec ssawny, promieniowy króciec tłoczny, wał poziomy oraz konstrukcję back-pull-out umożliwiającą demontaż silnika, podstawy silnika, pokrywy oraz wirnika bez naruszania obudowy pompy lub rur.
Nieodciążone uszc
Dane logistyczne
Opakowanie zbiorcze 1
Jednostka zbiorcza opak.
warstwa
Opakowanie zbiorcze 2
Jednostka zbiorcza opak.
paleta








