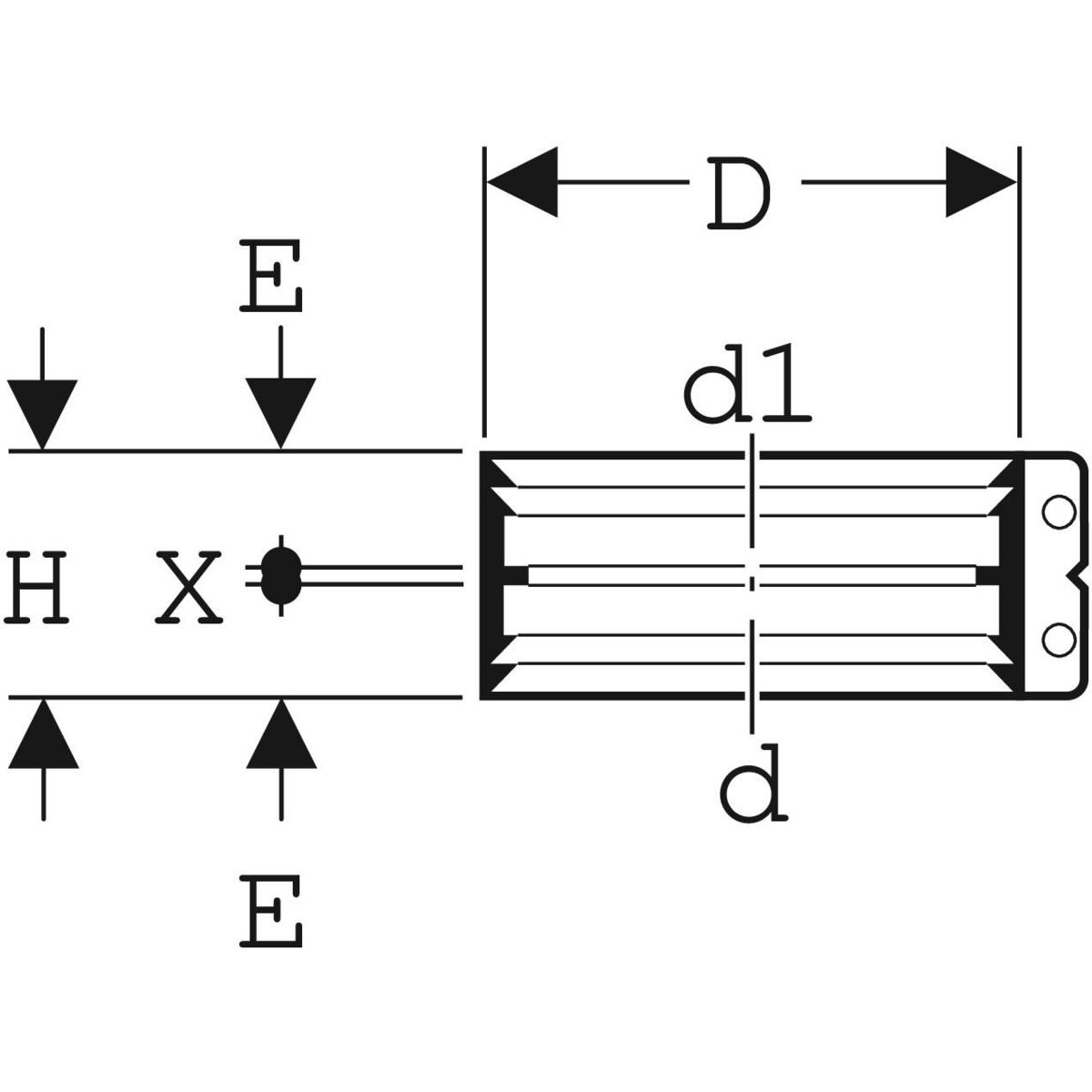
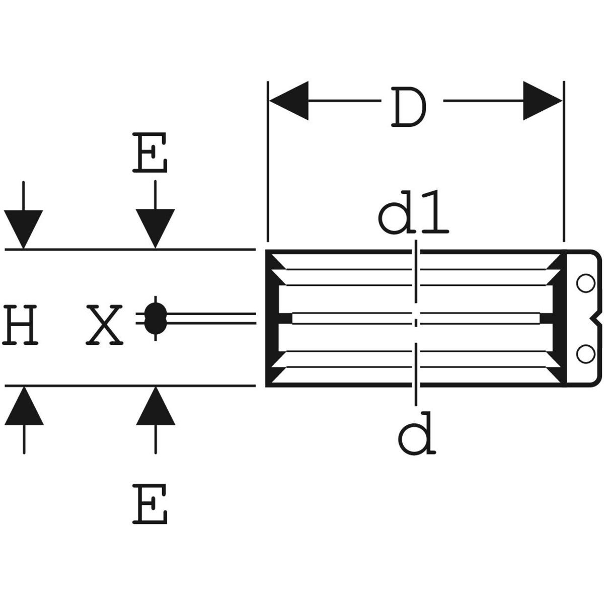
Opaska łącząca PE/Silent d50/d50
Dane techniczne
-
MateriałStal niestopowa 1.0215 E220 (EN 10305)
-
Chropowatość powierzchni10 µm
-
Rozszerzalność cieplna0.012 mm/(m·K)
-
Przewodnictwo cieplne rurociągu60 W/(m·K)
-
Specyficzna pojemność cieplna500 J/(kg·K)
Właściwości
- Ocynk Sendzimira
Do pobrania
Dane logistyczne
Opakowanie zbiorcze 1
Jednostka zbiorcza opak.
worek
Ilość
10
Masa brutto [kg]
1,532
Długość [m]
0,265
Szerokość [m]
0,235
Wysokość [m]
0,067
Opakowanie zbiorcze 2
Jednostka zbiorcza opak.
opak
Ilość
50
Masa brutto [kg]
8,497
Długość [m]
0,587
Szerokość [m]
0,395
Wysokość [m]
0,275







