Pompa do ścieków WILO DrainLift WS 40E BASIC/MINI3 V04/T06-540 50 Hz / 13.33 m³/h / 0.83 W
Dane techniczne
Częstotliwość
50 Hz
Gatunek materiału korpusu pompy
Żeliwo GG 20
Gatunek materiału wirnika
Inne
Gatunek materiału zbiornika
PE-40
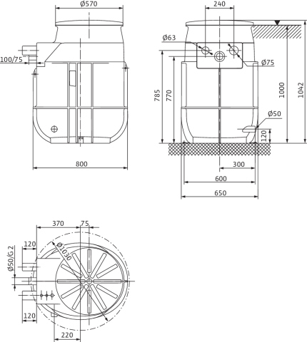
Głębokość [mm]
800
Klasa ciśnienia kołnierza przyłącza wylotowego
PN 10
Klasa izolacji wg IEC
F
Kształt końcówki
Inne
Liczba faz
3
Maks. ciśnienie robocze [bar]
1,2
Maks. wydajność (maks. przepływ) [m³/h]
17,64
Maks. średnica elementów stałych [mm]
40
Maksymalna wysokość podnoszenia [m]
10,98
Materiał korpusu pompy
Żeliwo
Materiał wirnika
Inne
Materiał zbiornika
Inne
Moc oddawana silnika (P2) [W]
0,6
Nominalny przepływ [m³/h]
13,33
Nominalny tryb pracy
S3 20% 1 min
Pobór mocy silnika (P1) [W]
0,83
Podłączenie elektryczne
Przewód połączeniowy z wtyczką
Pojemność zbiornika [l]
255
Przepływ nominalny (BEP) [m³/h]
13,33
Przyłącze od strony zasilającej
Inne
Przyłącze po stronie wylotowej
Gwint zewnętrzny gazowy walcowy
Prąd znamionowy [A]
1,6
Prędkość obrotowa [1/min]
2900
Rodzaj przyłącza wylotowego
ISO 228-1
Stopień ochrony (IP)
IP68
Szerokość [mm]
650
Wysokość [mm]
1042
Wysokość podnoszenia przy przepływie nominalnym (BEP) [kPa]
47,25
Zakres napięcia znamionowego [V]
400
Średnica normatywna przyłącza od strony tłocznej
1 1/2 cala
Średnica przyłącza od strony tłocznej [mm]
40







