Pompa do ścieków WILO DrainLift WS 50E 50 Hz / 650 m³/h
Dopuszczalny zakres zastosowania
*do pomp Wilo: Rexa UNI V05 (max. 1,5 kW), Rexa UNI V06 (max. 1,5 kW)
*Maks. dopuszczalne ciśnienie w przewodzie ciśnieniowym: 6 bar
*Min. temperatura przetłaczanej cieczy: 0 oC
*Maks. temperatura przetłaczanej cieczy: 40 oC
*Min. temperatura otoczenia: 3 oC
*Maks. temperatura otoczenia: 20 oC
Dane techniczne
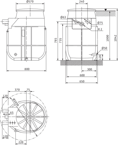
*Pojemność zbiornika: 255 l
*Przyłącze wejścia: DN100 / DN150
*Przyłącze wyjścia: Ø63/G21/2"A
*Odpowietrzanie:
*Materiał zbiornika:
*Długość: 1000 mm
*Szerokość: 650 mm
*Wysokość: 1042 mm
*Masa: 46 kg
Informacje na temat umiejscowienia zamówień
*Produkt:
*Nr art.: 2525160
Dane techniczne
Częstotliwość
50 Hz
Głębokość [mm]
1000
Nominalny przepływ [m³/h]
650
Szerokość [mm]
650
Wysokość [mm]
1042
Dane logistyczne
Opakowanie zbiorcze 1
Długość [m]
0,8
Szerokość [m]
1,2
Wysokość [m]
1,202







