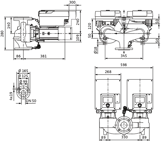
Pompa obiegowa WILO Stratos GIGA 2.0-D 50/1-30/2,2-R1 typu in-line z silnikiem znormalizowanym 50/60 Hz, moc silnika 2.3kW 4 A 4050 obr/min, wlot Kołnierz DN 50
Pompa Inline o najwyższej sprawności z silnikiem EC z klasą sprawności energetycznej IE5 zgodnie z IEC 60034-30-2, hydraulicznym wskaźnikiem minimalnej energochłonności MEI ≥ 0,7, elektronicznym dopasowaniu wydajności, o konstrukcji pompy dławnicowej. Pompa jest wykonana jako jednostopniowa, niskociśnieniowa pompa wirowa z przyłączem kołnierzowym i uszczelnieniem mechanicznym. Pompa Stratos GIGA2.0-D jest przede wszystkim przeznaczona do tłoczenia wody grzewczej (zgodnie z VDI 2035), wody zimnej i mieszanin woda-glikol niezawierających substancji abrazyjnych w układach grzewczych, klimatyzacyjnych i chłodzenia.
Konstrukcja ...-R1:
- Jednostopniowa niskociśnieniowa pompa wirowa z niedzielonym wałem o konstrukcji blokowej
- Korpus spiralny o konstrukcji Inline (przyłącze ssawne i ciśnieniowe z takimi samymi kołnierzami w jednej linii)
- Kołnierze PN 16 - zgodnie z EN 1092-2
- Przyłącza pomiarowe ciśnienia (R 1/8) do późniejszego montażu czujnika różnicy ciśnień (wersja ...-R1 bez czujnika różnicy ciśnień)
- Korpus pompy i kołnierz silnika standardowo z powłoką kataforetyczną
- Uszczelnienie mechaniczne do tłoczenia wody o temperaturze do Tmax. = +140 °C. Do T ≤ +40 °C dopuszczalna jest domieszka glikolu od 20 % do 40 % objętości. W przypadku mieszanin woda-glikol z zawartością glikolu > 40 % max. do 50 % objętości i o temperaturze przetłaczanej cieczy od > +40 °C do maks. +120 °C lub przetłaczanego medium innego niż woda należy zastosować alternatywne uszczelnienie mechaniczne.
- Napięcie zasilania:
- 3~440 V ±10 % 50/60 Hz; 3~400 V ±10 % 50/60 Hz; 3~380 V -5 % +10 % 50/60 Hz
- Wariant M-: 1~220 V ... 240 V (±10 %), 50/60 Hz
- Spełnianie wymogów kompatybilności elektromagnetycznej bez dodatkowych działań
- Generowanie zakłóceń do środowiska mieszkalnego zgodnie z normą EN 61800-3:2018
- Odporność na zakłócenia dla środowiska przemysłowego zgodnie z normą EN 61800-3:2018
Rodzaje regulacji:
- Stała prędkość obrotowa (n-const.)
- Stała temperatura (T-const.)
- Stała temperatura różnicowa (dT-const.)
- Zdefiniowana przez użytkownika regulacja PID
- Możliwe tylko z czujnikiem różnicy ciśnień:
- Stałe, automatyczne dostosowanie mocy do wymagań instalacji bez wprowadzania wartości zadanych Wilo-Dynamic Adapt plus (ustawienie fabryczne).
- Dostosowana do zapotrzebowania optymalizacja przepływu obrotowego pompy zasilającej poprzez połączenie i komunikację z kilkoma pompami wtórnymi (Multi-Flow Adaptation).
- Stały przepływ (Q-const.)
- Zmienna różnica ciśnień (dp-v) z opcją nominalnego wprowadzania punktu pracy Q i H
- Stała różnica ciśnień (dp-c)
- Regulacja różnicy ciśnień dp-c w punkcie oddalonym w rurociągu (regulacja punktu błędnego)
Funkcje:
- Wybór obszaru zastosowania przez asystenta konfiguracji
- Tryby pracy pompy podwójnej: Praca główna /z rezerwą
- Przełączanie pomiędzy trybem grzania i chłodzenia (automatycznie, zewnętrzne i manualnie)
- Zapisywanie i przywracania skonfigurowanych ustawień pompy (3 punkty przywrócenia ustawień)
- Sygnalizacja awarii / ostrzeżenia w formie tekstu wraz z pomocą
- Zintegrowane pełne zabezpieczenie silnika
- Możliwe tylko z czujnikiem różnicy ciśnień:
- Rejestracja ilości ciepła
- Rejestracja ilości zimna
- Nastawne ograniczenie przepływu przez funkcję Q-Limit (Qmin. i Qmax.)
- Automatyczne wyłączanie w przypadku rozpoznania w pompie przepływu zerowego (No-Flow Stop)
- Praca z dołączaniem z optymalizacją sprawności dla dp-c i dp-v
Wskazanie w „Home-Screen” wyświetlacza graficznego:
- Aktualnie ustawiony tryb regulacji
- Aktualna wartość zadana
- Aktualny przepływ obrotowy (tylko przy podłączonym czujniku różnicy ciśnień)
- Aktualna temperatura przetłaczanej cieczy (tylko przy podłączonym czujniku temperatury)
- Aktualny pobór mocy
- Skumulowane zużycie energii elektrycznej
Wersja:
- 4 konfigurowane wejścia analogowe: 0-10V, 2-10V, 0-20mA, 4-20mA i dostępne w handlu PT1000 (tylko na dwóch wyjściach analogowych); zasilanie elektryczne +24 V DC
- 2konfigurowalne wejścia cyfrowe (Ext. Off, Ext. Min, Ext. Max, ogrzewanie / chłodzenie, możliwość ręcznego przesterowania (automatyka budynku sparowana), blokada obsługi (blokada klawiszy i ochrona konfiguracji pilotów))
- 2konfigurowane przekaźniki do sygnalizacji komunikatów pracy i sygnalizacji awarii
- Gniazdo modułów CIF Wilo z interfejsami do automatyki budynku (opcjonalne wyposażenie dodatkowe: moduły CIF Modbus RTU, BACnet MS/TP, LON, PLR, CAN)
- Wilo Net jako system magistrali Wilo do komunikacji produktów Wilo między sobą np. Multi-Flow Adaptation; pompa podwójna i Wilo-Smart Gateway
- Automatyczny tryb awaryjny w sytuacjach wyjątkowych (zdefiniowana prędkość obrotowa pompy) np. w przypadku gdy nastąpi wyłączenie komunikacji za pomocą magistrali lub wartości czujników
- Obrotowy Graficzny wyświetlacz kolorowy (4,3 cala) z obsługą poprzez moduł obsługi ręcznej za pomocą jednego przycisku
- Interfejs Bluetooth poprzez moduł BT Wilo-Smart Connect
- Odczytywanie i ustawianie danych eksploatacyjnych oraz np. sporządzanie protokołu z uruchomienia za pośrednictwem interfejsu Bluetooth przy użyciu aplikacji Wilo-Assistant
- Zarządzanie pracą pomp podwójnych zintegrowane (pompy podwójne są okablowane), przy stosowaniu 2 pomp pojedynczych jako jednostki pompy podwójnej, połączenie przez Wilo Net
- Możliwość rozpoznania przerwania przewoduw przypadku sygnału analogowego (w połączeniu z 2 – 10 V lub 4 – 20 mA)
- Zapis czasu dla błędów / ostrzeżeń i historycznych danych eksploatacyjnych
- Stała rejestracja danych eksploatacyjnych
- Dostępne w wersji standardowej otwory do odprowadzania kondensatu w korpusie silnika (zamknięte w momencie dostawy)
- Zawór odpowietrzający na latarni
Zakres dostawy:
- Pompa
- Moduł BT Wilo-Smart Connect
- Dławiki przewodu z wkładami uszczelniającymi
- Instrukcja montażu (wersja skrócona) i deklaracja zgodności
Wyposażenie dodatkowe należy zamawiać oddzielnie:
3 konsole z materiałem do mocowania do ustawienia na fundamencie
- Kołnierze zaślepiające do korpusu pompy podwójnej
- Przyrząd montażowy do uszczelnienia mechanicznego (ze sworzniami montażowymi)
- Do podłączenia do automatyki budynku:
- CIF-Modul PLR
- Moduł CIF LON
- CIF-Modul BACnet MS/TP
- Moduł CIF Modbus RTU
- CIF-Modul CANopen
- Moduł CIF Ethernet Multiprotocol (Modbus TCP, BACnet/IP)
- Przyłącze M12 RJ45 CIF Ethernet
- Czujnik różnicy ciśnień 2 ... 10 V
- Czujnik różnicy ciśnień 4 ... 20 mA
- Czujnik temperatury PT1000 AA
- Tuleje czujników do montażu czujników temperatury w rurociągu
Dane techniczne
Częstotliwość
50/60 Hz
Długość wbudowania [mm]
280
Gatunek materiału korpusu pompy
Żeliwo GG 25
Gatunek materiału wirnika
PP-GF
Klasa ciśnienia kołnierza przyłącza wlotowego
PN 16
Klasa ciśnienia kołnierza przyłącza wylotowego
PN 16
Klasa efektywności energetycznej silnika
IE5
Klasa izolacji wg IEC
F
Kształt końcówki
Okrągły
Liczba faz
3
Maks. ciśnienie robocze [bar]
16
Maks. wydajność (maks. przepływ) [m³/h]
70
Materiał korpusu pompy
Żeliwo
Materiał wirnika
Polipropylen
Moc oddawana silnika (P2) [kW]
2,3
Pobór mocy przez pompę (solpump) [W]
2600
Pobór mocy silnika (P1) [kW]
2,6
Podwójna pompa
Tak
Przyłącze od strony wlotowej
Kołnierz
Przyłącze po stronie wylotowej
Kołnierz
Prąd znamionowy [A]
4
Prędkość obrotowa [obr/min]
4050
Rodzaj przyłącza wlotowego
EN 1092-2
Rodzaj przyłącza wylotowego
EN 1092-2
Stopień ochrony (IP)
IP55
Temperatura otoczenia [°C]
50
Wskaźnik minimalnej sprawności (MEI)
0,7
Zakres napięcia znamionowego [V]
400
Średnica nominalna przyłącza od strony wlotowej
DN 50
Średnica nominalna przyłącza od strony wylotowej
DN 50
Średnica zewnętrzna przyłącza od strony wylotowej [mm]
50







