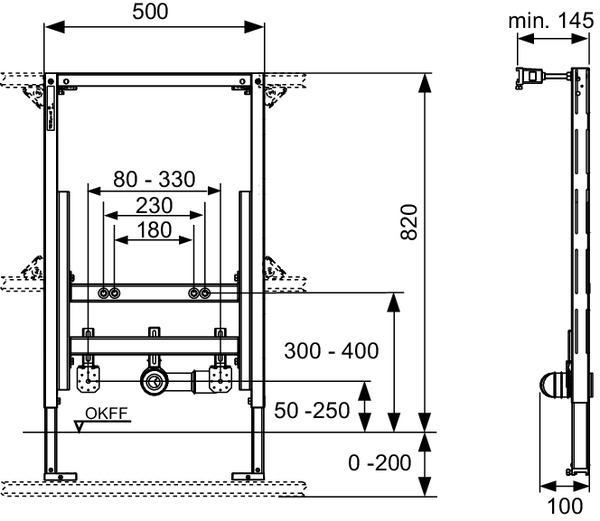
Stelaż podtynkowy do bidetu TECE profil, 820 x 500 x 100 mm, regulacja wysokości
Do mocowania na kształtownikach stalowych TECEprofil lub do montażu w ścianach z profili metalowych lub drewnianych oraz jako ścianka przednia lub moduł narożnikowy.
Kompletnie zmontowana jednostka, składająca się z:
- samonośnej ramy montażowej, malowanej proszkowo i dwóch regulowanych nóżek w zakresie od 0-200 mm
- dwóch szpilek montażowych i nakrętek M 12
- przyłącza kanalizacyjnego z bezstopniową regulacją wysokości
- kolanka przyłączeniowego DN 40/50 z redukcją gumową, DN 30/50 (która jest jednocześnie uszczelką), z zatyczką ochronną
- mocowanie górne stelaża
Połączone z mocowaniem 9380002 nadaje się również do wysokości montażowej 980 mm.
Proszę zamawiać oddzielnie:
- kolana naścienne TECEflex 16 x 1/2", TECElogo 16 x 1/2"
Dane techniczne
Głębokość [mm]
100
Regulowana wysokość
Tak
Szerokość [mm]
500
Wysokość [mm]
820








