Pompa obiegowa WILO BAC 50-80-0.55/2 typu in-line z silnikiem znormalizowanym 50 Hz, moc silnika 0.55kW 1.39 A 2830 obr/min
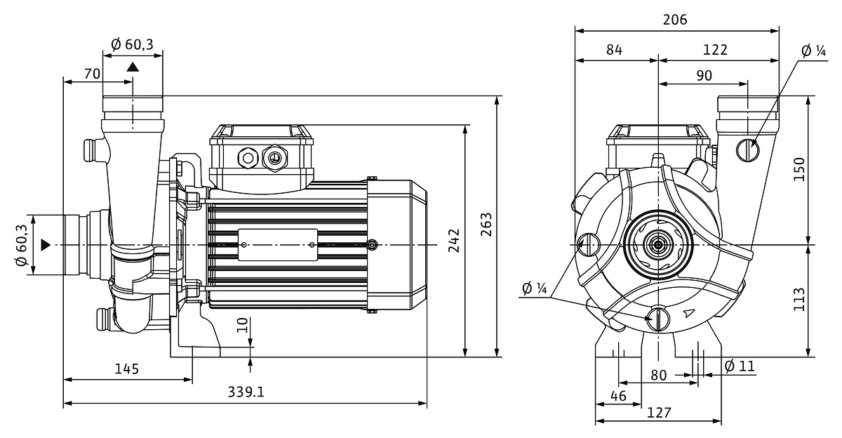
Jednostopniowa dławnicowa pompa wirowa o konstrukcji blokowej do zastosowania w instalacjach wentylacyjnych i klimatyzacyjnych. Odporna na drgania i zwarta konstrukcja zapewniająca cichą pracę, z zamocowanym bezpośrednio na kołnierzu silnikiem trójfazowym i wałem niedzielonym. Z niezależnym od kierunku obrotów mieszkowym uszczelnieniem mechanicznym oraz wirnikiem redukującym kawitację. Korpus pompy z przyłączem Victaulic zapewnia łatwy montaż.
Dane techniczne
Częstotliwość
50 Hz
Materiał korpusu pompy
Żeliwo
Moc oddawana silnika (P2) [kW]
0,55
Prąd znamionowy [A]
1,39
Prędkość obrotowa [obr/min]
2830
Do pobrania
Dane logistyczne
Opakowanie zbiorcze 1
Długość [m]
0,55
Szerokość [m]
0,38
Wysokość [m]
0,3







