Kupuj, montuj i zgarniaj punkty! Sprawdź aktualne akcje w Programie PIK!
 

Zestaw przyłączeniowy Geberit Publica do gipsowego zlewu: d=40mm, Biały-alpin

Kod IK

19152.703.11.1

Kod EAN

4025410635907

Kod producenta

152.703.11.1

Marka

GEBERIT

Model

Publica

Cena katalogowa netto

999 zł / szt.

Cena katalogowa brutto

1 228,77 zł / szt.

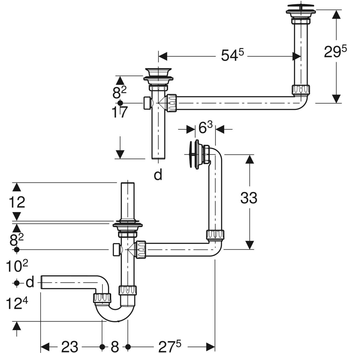
Zastosowanie: Do gipsowego ociekacza Geberit Publica, górna część
Do gipsowego ociekacza Geberit Publica, dolna część Charakterystyka: brak danych Zakres dostawy: Króciec przelewowy
Korek
Zawór zestawu odpływowego

Do pobrania

Dane logistyczne

Opakowanie zbiorcze 1

Jednostka zbiorcza opak.

opak

Ilość

8

Masa brutto [kg]

13,203

Długość [m]

0,59

Szerokość [m]

0,39

Wysokość [m]

0,425

Produkty polecane

Zestaw wiszącej miski WC Geberit iCon, lejowa, ukryte mocowania, TurboFlush, z deską sedesową: T=53cm, Wolne opadanie=Tak, Zawiasy wypinane=Blokowane, Mocowanie=Od góry, Biały

Wiszący Ceramiczna miska WC lejowa Bezkrawędziowa miska ustępowa z technologią spłukiwania TurboFlush Łatwe mocowanie dzięki systemowi Easy Fast Fixing (typ EFF3) Typ 1, pełna ilość 6 / 5 / 4 l, zgodne ze europejską normą EN 997 Zawiasy wypinane, blokowane Typ 2 wg EN 997 Spłukuje ilością 4 l Ukryte mocowania Deska sedesowa z duroplastu Pokrywa deski przykrywająca siedzisko Deska sedesowa z zawiasami EasyMount Do spłuczek podtynkowych Do zaworów spłukujących Materiał: Ceramika sanitarna Kolor główny: Biały Zawartość: Miska ustępowa Deska sedesowa Elementy mocujące

2 048,10 zł / szt
Stelaż podtynkowy Geberit Duofix do wiszących misek WC, 112 cm, ze spłuczką podtynkową Sigma 12 cm

Seria 2025 Statyczna rama samonośna, zabezpieczona przed korozją powłoką malowaną proszkowo Rama do wiszących misek WC o wymiarach przyłączeniowych zgodnych z normą EN 33 i wysunięciu do 70 cm Z wysuwaną blachą do bocznego mocowania nad elementem na profilach metalowych lub drewnianych bądź na elementach konstrukcyjnych Geberit Duofix Alternatywna pozycja mocowania wspornika dystansowego Obrotowe stopy, odpowiednie do montażu w profilach U UW 50 i UW 75 Stopy można zamontować w szynie systemowej Geberit Duofix bez użycia narzędzi, bez dodatkowych komponentów Ocynkowane nogi montażowe, zabezpieczone przed korozją, antypoślizgowe Kolano przyłączeniowe z możliwością montażu na różnych głębokościach bez użycia narzędzi, zakres regulacji 45 mm Spłuczka podtynkowa Geberit Sigma 12 cm, z izolacją przeciwroszeniową Do uruchamiania z przodu, nadaje się do spłukiwania jednoilościowego, dwudzielnego i spłukiwania z funkcją "stop" W przypadku ustawień fabrycznych ponowne spłukiwanie możliwe natychmiast Prace montażowe i serwisowe przy spłuczce podtynkowej bez użycia narzędzi Przyłącze wody z tyłu lub na górze na środku Obudowa ochronna otworu rewizyjnego z możliwością skrócenia, chroni przed wilgocią i zabrudzeniami Z peszlem ochronnym do dopływu dla toalet myjących Geberit AquaClean i do przewodu przyłączeniowego Mocowanie przyłącza elektrycznego i Power & Connect Box Do metalowych i drewnianych ścianek konstrukcyjnych Do ścianek systemowych Geberit Duofix Do montażu w ściankach instalacyjnych o częściowej wysokości lub wysokości pomieszczenia Do montażu w ściankach działowych na wysokość pomieszczenia Do wysokości warstw podłogi 0–25 cm Do misek wiszących
Materiał: Stal

1 508 zł / szt
Kolano Geberit Mapress Therm d42

Niedozwolone w instalacjach wody pitnej
Wskaźnik zaciśnięcia
Połączenie szczelne dopiero po zaprasowaniu
Uszczelka z CIIR czarna
Do wody zimnej w układach klimatyzacji bez środka przeciw zamarzaniu
Do wody zimnej w układach klimatyzacji ze środkiem przeciw zamarzani
Do wody chłodzącej i grzewczej bez środka zapobiegającego zamarzaniu
Do wody chłodzącej i grzewczej ze środkiem zapobiegającym zamarzaniu
Do wody ciepłowniczej ≤ 120 °C
Do tryskacza (mokro)
Do sprężonego powietrza (klasa czystości oleju 0–3)
Do podciśnienia
Do gazów obojętnych (np. azot)
Do techniki domowej i przemysłu
Materiał: Stal nierdzewna

139,80 zł / szt
Geberit Selnova Comfort Wisząca miska WC, lejowa, B35.5cm, H34cm, T70cm, długa

Wiszący Ceramiczna miska WC lejowa Z krawędzią Bez barier Typ 1, pełna ilość 6 / 4 l, wg EN 997 Typ 2 wg EN 997 Spłukuje ilością 4 l Długa miska Do spłuczek podtynkowych Do zaworów spłukujących Możliwość korzystania przez osoby poruszające się na wózkach inwalidzkich Materiał: Ceramika sanitarna Kolor główny: Biały Zawartość: Miska ustępowa

816,40 zł / szt

Szkolenia - GEBERIT