Kupuj, montuj i zgarniaj punkty! Sprawdź aktualne akcje w Programie PIK!
 

Ciśnieniomierz różnicowy AFRISO KP D401 -6/0 mbar mosiądz G1/2B radialne fi 160, kl. 1.6%

Kod IK

8035151401

Kod EAN

4049827007157

Kod producenta

35151401

Marka

AFRISO

Model

KP D401

Cena katalogowa netto

Na zapytanie

Przeznaczony do pomiaru ciśnień gazów suchych, które nie działają niszcząco na stopy miedzi.

Filmy

Dane techniczne

Klasa dokładności wg EN

1.6%

Materiał przyłącza procesowego

Mosiądz

Miejsce połączenia

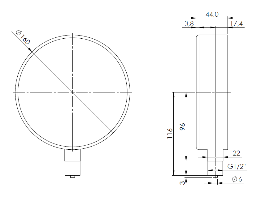
radialne

Rozmiar przyłącza procesowego

G1/2B

Zakres skali (w barach)

-6/0 mbar

Średnica obudowy

160

Wydarzenia - AFRISO