Instalatorze, możesz zamówić kotły Vaillant ecoTEC pro za punkty PIK!
 

Wilo-Atmos GIGA-B 100/400-55/4-P6 pompa obiegowa blokowa

Kod IK

819143359

Kod EAN

4062679033594

Kod producenta

9143359

Marka

WILO

Model

Atmos GIGA-B

Cena katalogowa netto

23 651 EUR / szt.

Cena katalogowa brutto

29 090,73 EUR / szt.

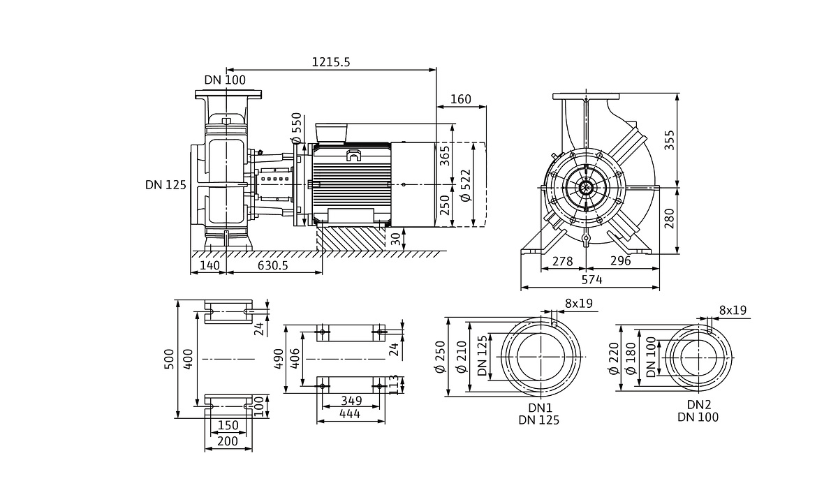
Jednostopniowa dławnicowa pompa wirowa o konstrukcji blokowej do ustawienia na fundamencie. Odporna na drgania, zapewniająca cichą pracę konstrukcja blokowa z latarnią i sztywno połączonym silnikiem standardowym (silnik znormalizowany). Z wymuszonym opływem, niezależnym od kierunku obrotów mieszkowym uszczelnieniem mechanicznym (od 37 kW/4-bieg. opcjonalnie z kasetowym uszczelnieniem mechanicznym w systemie cofki do wymiany uszczelnienia mechanicznego bez demontażu silnika) oraz wirnikiem redukującym kawitację. Kołnierze z przyłączami pomiarowymi ciśnienia R 1/8. Korpus pompy i latarnia z powłoką kataforetyczną. W wersji standardowej silniki w klasie IE3. Pompy z silnikami ≥ 5,5 kW są seryjnie wyposażone w czujniki termistorowe jako zabezpieczenie silnika. Skrzynia zaciskowa do silnika ≤ 7,5 kW może być wykonana z metalu lub tworzywa sztucznego. Jeśli bezwzględnie wymagana jest metalowa skrzynia zaciskowa, należy zamówić odpowiedni wariant specjalny. Skrzynie zaciskowe do silnika

Do pobrania

Dane logistyczne

Opakowanie zbiorcze 1

Długość [m]

1,8

Szerokość [m]

0,8

Wysokość [m]

0,795