Moduł techniczny przepompowni Aqualift F XL Duo z szafką Comfort 1400-S3 230V ze zgrzewanym pierścieniem studzienki
KESSEL Przepompownia Aquapump XL, Duo, ścieki fekalne, zabudowa w ziemi, wysokość 1403 mm, sterowanie pompą przez sterownik, z 2 SPF 1400 pomp zatapialnych, typ pracy S3 - 50%, rozpoznawania poziomu pneumatyczny
- Najwyższe bezpieczeństwo
- Elastyczna zabudowa
- Higiena podczas konserwacji i napraw
Przepompownia Aquapump XL Duo, SPF 1400-S3
Przepompownia do ścieków zawierających fekalia i bez fekaliów jest wyposażona w jedną lub dwie pompy zanurzeniową, zawór zwrotny oraz zasuwę odcinającą do przewodu tłocznego. Zbiornik wykonany z trwałego tworzywa sztucznego (PE) posiada zamkniętą komorę pompy (ustawienie suche) z przykręcanym otworem wyczystkowym. Sterowanie następuje przy pomocy przyjaznego dla użytkownika urządzenia sterującego, które można opcjonalnie poprzez kontakt bezpotencjałowy włączyć w system zarządzania budynkiem lub które może poprzez złącze GSM generować komunikaty zbiorcze o alarmach i zakłóceniach. Dzięki modułowej budowie systemu KESSEL możliwe jest rozszerzenie o różne nasady lub warianty studzienki technicznej dostępnych jako osprzęt.
Wersja
- Wskazówka dotycząca głębokości zabudowy: Wariant z pogłębioną zabudową
- Typ urządzenia: urządzenie dwupompowe
- Zasuwa odcinająca: Zasuwa odcinająca z tworzywa sztucznego
- Stopnie złazowe: tak
- Ustawienie: Ustawienie suche
- Sterowanie pompą: sterownik
- Zawór zwrotny: zintegrowany
- Przewód tłoczny: poziomy
Cechy ogólne
- Kolor: czarny
- Norma: EN 12050-1
- Typ ścieków: Ścieki zawierające fekalia
- Sposób zabudowy: zabudowa w ziemi
- Stan w momencie dostawy: wstępnie zmontowany do montażu końcowego w miejscu instalacji (pompy i czujniki do zamontowania w miejscu instalacji, urządzenie sterownicze do podłączenia)
- Typ urządzenia: Duo
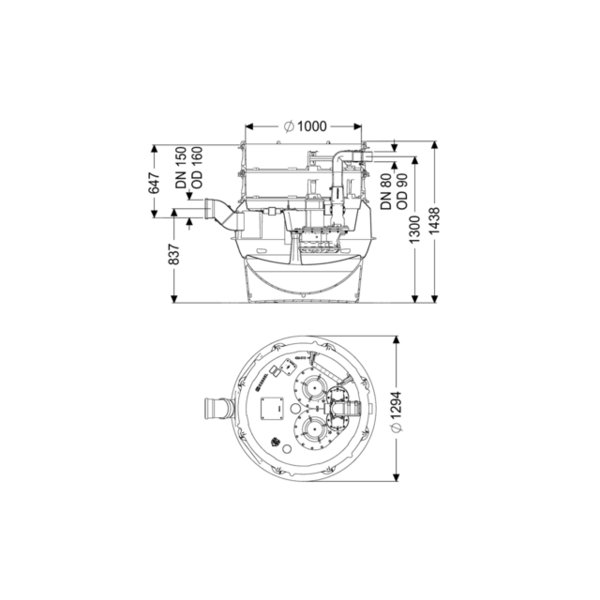
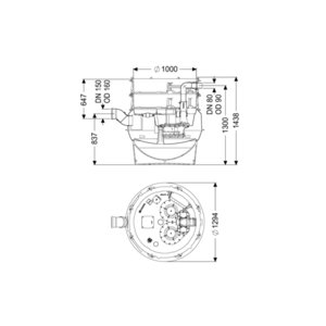
Wymiary
- Ciężar netto: 204 kg
- Ciężar brutto: 228 kg
- Odporność na wodę gruntową od dolnej krawędzi dna: 3000 mm
- Długość: 1295 mm
- Szerokość: 1295 mm
- Wysokość: 1403 mm
- Wymiar opakowania: dł.: 2000 mm
- Wymiar opakowania: szer.: 1300 mm
- Wymiar opakowania: wys.: 1435 mm
Zbiornik/korpus
- Przewód tłoczny (DN): 80
- Przewód tłoczny (DA): 90 mm
- Przyłącze odpowietrzające (DN): 70
- Odstęp między środkiem rury odpływowej a dnem zbiornika: 1300 mm
- Odstęp między dnem rury dopływowej a dnem zbiornika: 753 mm
- Odstęp między środkiem rury dopływowej a dnem zbiornika: 833 mm
- Odstęp dna rury dopływu od górnej krawędzi zbiornika: 650 mm
- Wielkość nominalna dopływu (DA): 160 mm
- Wielkość nominalna dopływu (DN): 150 mm
- Liczba dopływów: 1
- Szerokość w świetle zbiornika urządzenia (LW): 1000 mm
- Pojemność użytkowa: 160 l
- Pojemność zbiornika: 335 l
Przenośnik
- Pompa: SPF 1400
- Liczba pomp: 2
- Ciężar, pompa: 25 kg
- Typ przyłącza: Wtyczka kodowana
- Prąd znamionowy: 7,3 A
- Długość przewodu sieciowego pompy: 10 m
- Klasa ochrony: I
- Klasa izolacji: F
- Współczynnik mocy Cos phi: 0,98
- Stopień ochrony pompy: IP 68 (3 m / 48 h)
- Nadzór temperatury: zintegrowany
- Maks. temperatura tłoczonego medium (przy pracy stałej): 40 °C
- Maks. wydajność tłoczenia: 38 m³/h
- Maks. wys. podnoszenia: 7 m
- Prędkość obrotowa: 1370 U/min
- Pobór mocy P1: 1,6 kW
- Pobór mocy P2: 1,1 kW
- Tryb roboczy: S3 - 50%
- Typ przewodu przyłączeniowego pompy: H07RN-F 3G 1,5 mm²
- Typ wirnika: Wolny przelot
- Wolny przelot: 40 mm
Sterowanie
- Sterownik: Comfort
- Czujnik alarmowy: Rura zanurzeniowa
- Instrument do rozpoznania poziomu: Rura zanurzeniowa
- Typ pomiaru poziomu: pneumatyczny
- Stopień ochrony sterowniku: IP 54
- Napięcie robocze: 230 V
- Typ przyłącza: Wtyczka kodowana
- Długość przewodu sieciowego sterownik: 1,4 m
- Kontakt bezpotencjałowy: opcjonalny
- Złącze GSM: tak
- Złącze USB: tak
- Funkcja dziennika zdarzeń: tak
- Wyświetlacz wielowierszowy: tak
- Podtrzymywanie bateryjne: tak
- System samodiagnozy (SDS): tak
- Prąd znamionowy: 7,3 A







