Moduł techniczny przepompowni Aqualift F XL Duo z szafka Comfort z pompą STZ 3700-S1 poj. 310l
KESSEL Przepompownia Aquapump XL, Duo, ścieki fekalne, zabudowa w ziemi, sterowanie pompą przez sterownik, z 2 STZ 3700 pomp zatapialnych, typ pracy S1, rozpoznawania poziomu hydrostatyczny
- Najwyższe bezpieczeństwo
- Elastyczna zabudowa
- Przystosowana do obszarów zagrożonych wybuchem
Przepompownia Aquapump XL Duo, STZ 3700-S1, ATEX
Przepompownia z atestem ATEX do ścieków zawierających fekalia i bez fekaliów jest wyposażona jedną lub dwie pompy zanurzeniową, zawór zwrotny oraz zasuwę odcinającą do przewodu tłocznego. Zbiornik wykonany z trwałego tworzywa sztucznego (PE) posiada otwartą komorę pompy (ustawienie mokre) z uniwersalnymi możliwościami podłączenia. Sterowanie następuje przy pomocy przyjaznego dla użytkownika urządzenia sterującego, które można opcjonalnie poprzez kontakt bezpotencjałowy włączyć w system zarządzania budynkiem lub które może poprzez złącze GSM generować komunikaty zbiorcze o alarmach i zakłóceniach. Dzięki modułowej budowie systemu KESSEL możliwe jest rozszerzenie o różne warianty studzienki technicznej dostępne jako osprzęt. Akcesoria: 680 528 = 2 m 680 529 = 3 m 680 530 = 4 m 680 531 = 5 m
Wersja
- Wskazówka dotycząca głębokości zabudowy: W połączeniu z modułem studzienki
- Typ urządzenia: urządzenie dwupompowe
- Zasuwa odcinająca: Zasuwa odcinająca z tworzywa sztucznego
- Uszczelka do przeprowadzenia przewodu rurowego (DN): 100
- Stopnie złazowe: tak
- Uszczelka przelotowa do przewodu wentylacyjnego (DN): 100
- Ustawienie: Ustawienie mokre
- Sterowanie pompą: sterownik
- Zawór zwrotny: zintegrowany
- Przewód tłoczny: poziomy
Cechy ogólne
- Kolor: czarny
- Norma: EN 12050-1
- Typ ścieków: Ścieki zawierające fekalia
- Sposób zabudowy: zabudowa w ziemi
- Stan w momencie dostawy: wstępnie zmontowany do montażu końcowego w miejscu instalacji (pompy i czujniki do zamontowania w miejscu instalacji, urządzenie sterownicze do podłączenia)
- Typ urządzenia: Duo
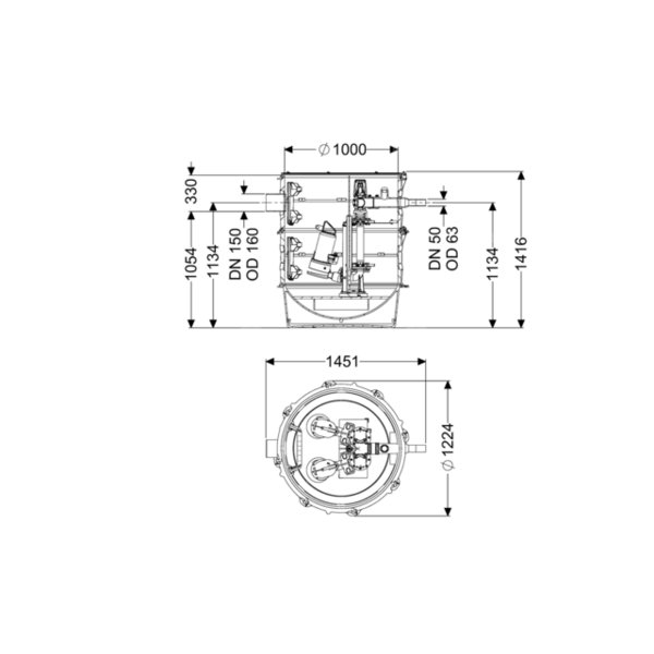
Wymiary
- Ciężar netto: 250 kg
- Ciężar brutto: 274 kg
- Odporność na wodę gruntową od dolnej krawędzi dna: 3000 mm
- Długość: 1240 mm
- Szerokość: 1240 mm
- Wysokość: 1416 mm
- Wymiar opakowania: dł.: 2000 mm
- Wymiar opakowania: szer.: 1300 mm
- Wymiar opakowania: wys.: 1550 mm
Zbiornik/korpus
- Przewód tłoczny (DN): 50
- Przewód tłoczny (DA): 63 mm
- Odstęp między środkiem rury odpływowej a dnem zbiornika: 1134 mm
- Odstęp między dnem rury dopływowej a dnem zbiornika: 1054 mm
- Odstęp między środkiem rury dopływowej a dnem zbiornika: 1134 mm
- Odstęp dna rury dopływu od górnej krawędzi zbiornika: 330 mm
- Maks. otwór na dopływ (DN): 150 mm
- Wielkość nominalna dopływu (DA): 160 mm
- Wielkość nominalna dopływu (DN): 150 mm
- Liczba dopływów: 1
- Szerokość w świetle zbiornika urządzenia (LW): 1000 mm
- Pojemność użytkowa: 300 l
Przenośnik
- Pompa: STZ 3700
- Liczba pomp: 2
- Ciężar, pompa: 44 kg
- Typ przyłącza: Przyłącze bezpośrednie
- Prąd znamionowy: 6,4 A
- Długość przewodu sieciowego pompy: 10 m
- Klasa ochrony: I
- Klasa izolacji: H
- Współczynnik mocy Cos phi: 0,82
- Stopień ochrony pompy: IP 68 (20 m)
- Nadzór temperatury: zintegrowany
- Maks. temperatura tłoczonego medium (przy pracy stałej): 40 °C
- Maks. wydajność tłoczenia: 28 m³/h
- Maks. wys. podnoszenia: 35 m
- Prędkość obrotowa: 2900 U/min
- Pobór mocy P1: 3,7 kW
- Pobór mocy P2: 3,1 kW
- Tryb roboczy: S1
- Typ przewodu przyłączeniowego pompy: H07RN8-F 6G 1,5 mm²
- Typ wirnika: Mechanizm rozdrabniający
Sterowanie
- Sterownik: Comfort
- Włącznik ochrony silnika: tak
- Czujnik alarmowy: Sonda hydrostatyczna
- Instrument do rozpoznania poziomu: Sonda hydrostatyczna
- Typ pomiaru poziomu: hydrostatyczny
- Stopień ochrony sterowniku: IP 54
- Częstotliwość sieciowa: 50 Hz
- Napięcie robocze: 400 V
- Typ przyłącza: Przyłącze bezpośrednie
- Kontakt bezpotencjałowy: tak
- Złącze GSM: tak
- Funkcja dziennika zdarzeń: tak
- Wyświetlacz wielowierszowy: tak
- Podtrzymywanie bateryjne: tak
- System samodiagnozy (SDS): tak
- Prąd znamionowy: 6,4 A







