Instalatorze, możesz zamówić kotły Vaillant ecoTEC pro za punkty PIK!
 

Pompa obiegowa WILO CronoLine-IL-E 40/200-7,5/2 R1 IE4 typu in-line z silnikiem znormalizowanym 50/60 Hz, moc silnika 7.5kW 13.8 A 2900 obr/min, wlot Kołnierz DN 40

Kod IK

812159363

Kod EAN

4048482663371

Kod producenta

2159363

Marka

WILO

Model

CronoLine-IL-E 40/200-7,5/2 R1 IE4

Cena katalogowa netto

8 226 EUR / szt.

Cena katalogowa brutto

10 117,98 EUR / szt.

Dławnicowa pompa wirowa o konstrukcji Inline do montażu na rurociągu lub do ustawienia na fundamencie z wbudowaną przetwornicą częstotliwości do regulacji elektronicznej m.in. wg stałej lub zmiennej różnicy ciśnień (Δp-c/Δp-v)



Konstrukcja:

*Jednostopniowa, niskociśnieniowa pompa wirowa

*Korpus spiralny o konstrukcji Inline (przyłącze ssawne i ciśnieniowe z takimi samymi kołnierzami w jednej linii), kołnierze PN 16 - nawiercone zgodnie z EN 1092-2

*Przyłącza pomiarowe ciśnienia (R 1/8) do zamontowanego czujnika różnicy ciśnień (wersja ...-R1 bez czujnika różnicy ciśnień)

*Korpus pompy i kołnierz silnika standardowo z powłoką kataforetyczną

*Uszczelnienie mechaniczne do tłoczenia wody o temp. max. do 140oC. Do Tmax. = +40oC dopuszczalna jest domieszka glikolu wyn. od 20 do 40 % pojemności

*Specjalne uszczelnienia mechaniczne przy mieszaninach wody/glikolu z zawartością glikolu inną niż 20 - 40% obj. i przy temperaturze przetłaczanej cieczy ≤ 40oC lub mediów innych niż woda (dopłata)



Wyposażenie dodatkowe:

*Konsole do mocowania na fundamencie

*IR-Monitor

*IR-Stick

*IF-Moduł PLR

*IF-Moduł LON

*IF-Moduł Modbus

*IF-Modul BACnet

*IF-Moduł CAN

*Systemy regulacyjne VR-HVAC/CCe-HVAC/SCe-HVAC

*Zestawy czujników różnicy ciśnień (DDG) 0-10 V do pomp w wersji ...-R1



Wyposażenie standardowe:

*Moduł obsługi ręcznej za pomocą jednego przycisku z następującymi funkcjami:

**Włączanie/wyłączanie pompy

**Ustawianie wartości zadanej lub prędkości obrotowej

**Wybór rodzaju regulacji: Δp-c (stała różnica ciśnień), Δp-v (zmienna różnica ciśnień), regulator PID, n-constant (tryb regulacji ręcznej)

**Wybór rodzaju pracy w przypadku pracy pompy podwójnej (praca/rezerwa, praca z dołączeniem)

**Konfiguracja parametrów roboczych

**Potwierdzenie błędu

*Wyświetlacz pompy wskazujący:

**Tryb regulacji

**Wartość zadaną (np. różnicy ciśnień lub prędkości obrotowej)

**Komunikaty o błędach i komunikaty ostrzegawcze

**Wartości rzeczywiste (np. poboru mocy, wartości rzeczywistej czujnika)

**Dane robocze (np. godziny pracy, zużycie energii)

**Dane dotyczące stanu (np. stan przekaźnika SSM i SBM)

**Dane urządzenia (np. nazwa pompy)



Funkcje dodatkowe:

*Interfejsy: Wejście sterujące „Wyłączanie z priorytetem”, „Zewnętrzna zamiana pomp” (działa tylko w trybie dwupompowym), wejście analogowe 0-10 V, 2-10 V, 0-20 mA, 4-20 mA do trybu sterowania (DDC) lub do zdalnej regulacji wartości zadanej, wejście analogowe 0-10 V, 2-10 V, 0-20 mA, 4-20 mA dla sygnału wartości rzeczywistej czujnika ciśnienia, złącze na podczerwień do komunikacji bezprzewodowej za pomocą urządzenia kontrolno-serwisowego Wilo-IR-Stick/IR-Monitor, gniazdo na IF-Moduły Wilo do podłączenia do automatyki budynku, konfigurowana, bezpotencjałowa sygnalizacja awarii i pracy/stanu gotowości, interfejs do komunikacji pomp podwójnych

*Silnik indukcyjny trójfazowy z przetwornicą częstotliwości

*Zintegrowany system zarządzania pracą pomp podwójnych

*Możliwość ustawienia częstotliwości zamiany pomp (w dwupompowym trybie pracy)

*Zintegrowane pełne zabezpieczenie silnika

*Różne rodzaje pracy do zastosowania w instalacjach grzewczych (HV) lub klimatyzacyjnych (AC)

*Blokada dostępu

*Różne poziomy obsługi ręcznej: Standard/serwis

Dane eksploatacyjne
*temperatura przetłaczanej cieczy: -20 oC
*temperatura otoczenia: 0 oC
*Maks. ciśnienie robocze: 16 bar
*: 16 bar do 120oC, 13 bar do 140oC
*Wskaźnik minimalnej energochłonności (MEI): 0,4
Dane silnika
*Klasa sprawności energetycznej silnika:
*Generowanie zakłóceń:
*Odporność na zakłócenia:
*Przyłącze sieciowe: 3~380 V, 50/60 Hz 3~400 V, 50/60 Hz 3~440 V, 50/60 Hz
*Moc znamionowa : 7500
*Prędkość obrotowa maks.: 2900 Obroty / min
*Prąd znamionowy: 13,2 A
*Klasa izolacji: F
*Stopień ochrony silnika:
*Zabezpieczenie silnika:
Materiały
*Korpus pompy: 5.1301, KTL-beschichtet
*Wirnik:
*Wał: Stal nierdzewna
*Uszczelnienie wału: AQ1EGG
*Latarnia: 5.1301, KTL-beschichtet
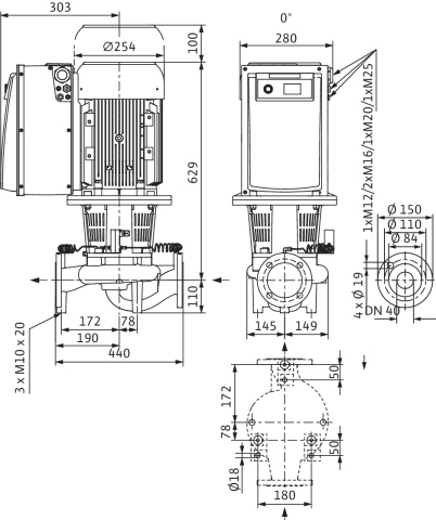
Wymiary montażowe
*Przyłącze gwintowane po stronie ssawnej: DN 40
*Przyłącze gwintowane po stronie tłocznej: DN 40
*Długość montażowa: 440 mm
Informacje na temat umiejscowienia zamówień
*Produkt:
*Nazwa produktu: CronoLine-IL-E 40/200-7,5/2-R1
*Masa netto ok.: 110 kg
*Numer artykułu: 2159363

Dane techniczne

Częstotliwość

50/60 Hz

Długość wbudowania [mm]

440

Gatunek materiału korpusu pompy

Żeliwo GG 25

Gatunek materiału wirnika

Żeliwo GG 20

Klasa ciśnienia kołnierza przyłącza wlotowego

PN 16

Klasa ciśnienia kołnierza przyłącza wylotowego

PN 16

Klasa efektywności energetycznej silnika

IE4

Klasa izolacji wg IEC

F

Kształt końcówki

Okrągły

Liczba faz

3

Maks. ciśnienie robocze [bar]

16

Maks. wydajność (maks. przepływ) [m³/h]

40

Maks. wysokość podnoszenia [m]

50

Materiał korpusu pompy

Żeliwo

Materiał wirnika

Żeliwo

Moc oddawana silnika (P2) [kW]

7,5

Przepływ nominalny (BEP) [m³/h]

37,92

Przyłącze od strony wlotowej

Kołnierz

Przyłącze po stronie wylotowej

Kołnierz

Prąd znamionowy [A]

13,8

Prędkość obrotowa [obr/min]

2900

Rodzaj przyłącza wlotowego

EN 1092-2

Rodzaj przyłącza wylotowego

EN 1092-2

Silnik standardowy

Tak

Stopień ochrony (IP)

IP55

Temperatura otoczenia [°C]

40

Wskaźnik minimalnej sprawności (MEI)

0,4

Zakres napięcia znamionowego [V]

400

Średnica nominalna przyłącza od strony wlotowej

DN 40

Średnica nominalna przyłącza od strony wylotowej

DN 40

Średnica zewnętrzna przyłącza od strony wylotowej [mm]

40

Do pobrania