Instalatorze, możesz zamówić kotły Vaillant ecoTEC pro za punkty PIK!
 

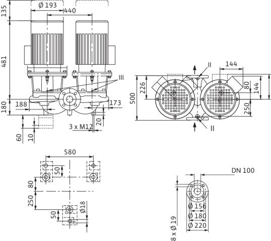
Pompa obiegowa WILO CronoTwin-DL 100/145-1,1/4-S1 typu in-line z silnikiem znormalizowanym 50 Hz, moc silnika 1.1kW 2.3 A 1450 obr/min, wlot Kołnierz DN 100

Kod IK

812171378

Kod EAN

4048482738178

Kod producenta

2171378

Marka

WILO

Model

CronoTwin-DL 100/145-1,1/4-S1

Cena katalogowa netto

5 657 EUR / szt.

Cena katalogowa brutto

6 958,11 EUR / szt.

Pompa podwójna Inline z dwiema jednostopniowymi dławnicowymi pompami wirowymi we wspólnym korpusie z klapą przełączającą, do montażu na rurociągu lub do ustawienia na fundamencie. Kołnierz zaślepiający na korpusie i konsole za dopłatą. Odporna na drgania, zapewniająca cichą pracę konstrukcja blokowa z latarnią i sztywno połączonym standardowym silnikiem kołnierzowym (silnik odpowiadający normom). Z niezależnym od kierunku obrotów mieszkowym uszczelnieniem mechanicznym z wymuszonym opływem oraz wirnikiem redukującym kawitację. Kołnierze z przyłączami pomiarowymi ciśnienia R 1/8. Korpus pompy i latarnia z powłoką kataforetyczną. W wersji standardowej silniki w klasie IE3. Pompy z silnikami ≥ 5,5 kW są seryjnie wyposażone w czujniki termistorowe jako zabezpieczenie silnika. Skrzynia zaciskowa do silnika ≤ 7,5 kW może być wykonana z metalu lub tworzywa sztucznego. Jeśli bezwzględnie wymagana jest metalowa skrzynia zaciskowa, należy zamówić odpowiedni wariant specjalny. Skrzynie zaciskowe

Dane techniczne

Częstotliwość

50 Hz

Długość wbudowania [mm]

500

Gatunek materiału korpusu pompy

Żeliwo GG 25

Gatunek materiału wirnika

Brąz CuSn10-C

Klasa ciśnienia kołnierza przyłącza wlotowego

PN 16

Klasa ciśnienia kołnierza przyłącza wylotowego

PN 16

Klasa efektywności energetycznej silnika

IE3

Klasa izolacji wg IEC

F

Kształt końcówki

Okrągły

Liczba faz

3

Maks. ciśnienie robocze [bar]

16

Maks. wydajność (maks. przepływ) [m³/h]

174,2

Maks. wysokość podnoszenia [m]

4,925

Materiał korpusu pompy

Żeliwo

Materiał wirnika

Brąz

Moc oddawana silnika (P2) [kW]

1,1

Podwójna pompa

Tak

Przepływ nominalny (BEP) [m³/h]

119,6

Przyłącze od strony wlotowej

Kołnierz

Przyłącze po stronie wylotowej

Kołnierz

Prąd znamionowy [A]

2,3

Prędkość obrotowa [obr/min]

1450

Rodzaj przyłącza wlotowego

EN 1092-2

Rodzaj przyłącza wylotowego

EN 1092-2

Stopień ochrony (IP)

IP55

Wskaźnik minimalnej sprawności (MEI)

0,4

Wysokość podnoszenia przy przepływie nominalnym (BEP) [kPa]

33,63

Zakres napięcia znamionowego [V]

400

Średnica nominalna przyłącza od strony wlotowej

DN 100

Średnica nominalna przyłącza od strony wylotowej

DN 100

Średnica zewnętrzna przyłącza od strony wylotowej [mm]

100

Do pobrania