Instalatorze, możesz zamówić kotły Vaillant ecoTEC pro za punkty PIK!
 

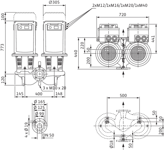
Pompa obiegowa WILO CronoTwin-DL-E 50/220-15/2-R1-S1 typu in-line z silnikiem znormalizowanym 50/60 Hz, moc silnika 15kW 25.5 A 2900 obr/min, wlot Kołnierz DN 50

Kod IK

812171100

Kod EAN

4048482809380

Kod producenta

2171100

Marka

WILO

Model

CronoTwin-DL-E 50/220-15/2-R1-S1

Cena katalogowa netto

27 109 EUR / szt.

Cena katalogowa brutto

33 344,07 EUR / szt.

Dławnicowa pompa podwójna o konstrukcji Inline do montażu na rurociągu lub do ustawienia na fundamencie z wbudowaną przetwornicą częstotliwości do regulacji elektronicznej m.in. wg stałej i zmiennej różnicy ciśnień (dp-c/dp-v) Budowa: Jednostopniowa, niskociśnieniowa pompa wirowa Korpus spiralny o konstrukcji Inline (przyłącze ssawne i ciśnieniowe z takimi samymi kołnierzami w jednej linii), kołnierze PN 16 - nawiercone zgodnie z EN 1092-2 Przyłącza pomiarowe ciśnienia (R 1/8) do zamontowanego czujnika różnicy ciśnień (wersja ...-R1 bez czujnika różnicy ciśnień) Korpus pompy i kołnierz silnika standardowo z powłoką kataforetyczną Uszczelnienie mechaniczne S1 zalecane w przypadku mieszanin woda-glikol z udziałem glikolu do maks. 50 % ułamka objętościowego i temperatury przetłaczanej cieczy od -20 oC do maks. +110 oC oraz w przypadku udziałów oleju w mieszaninie woda-glikol. Wyposażenie dodatkowe: Konsole do mocowania na fundamencie IR-Monitor IF-Moduł PLR IF-Moduł LON

Dane techniczne

Częstotliwość

50/60 Hz

Długość wbudowania [mm]

440

Gatunek materiału korpusu pompy

Żeliwo GG 25

Gatunek materiału wirnika

Żeliwo GG 20

Klasa ciśnienia kołnierza przyłącza wlotowego

PN 16

Klasa ciśnienia kołnierza przyłącza wylotowego

PN 16

Klasa efektywności energetycznej silnika

IE4

Klasa izolacji wg IEC

F

Kształt końcówki

Okrągły

Liczba faz

3

Maks. ciśnienie robocze [bar]

16

Maks. wydajność (maks. przepływ) [m³/h]

129

Maks. wysokość podnoszenia [m]

64,35

Materiał korpusu pompy

Żeliwo

Materiał wirnika

Żeliwo

Moc oddawana silnika (P2) [kW]

15

Podwójna pompa

Tak

Przepływ nominalny (BEP) [m³/h]

96,12

Przyłącze od strony wlotowej

Kołnierz

Przyłącze po stronie wylotowej

Kołnierz

Prąd znamionowy [A]

25,5

Prędkość obrotowa [obr/min]

2900

Rodzaj przyłącza wlotowego

EN 1092-2

Rodzaj przyłącza wylotowego

EN 1092-2

Silnik standardowy

Tak

Stopień ochrony (IP)

IP55

Temperatura otoczenia [°C]

40

Wskaźnik minimalnej sprawności (MEI)

0,4

Wysokość podnoszenia przy przepływie nominalnym (BEP) [kPa]

541,82

Zakres napięcia znamionowego [V]

400

Średnica nominalna przyłącza od strony wlotowej

DN 50

Średnica nominalna przyłącza od strony wylotowej

DN 50

Średnica zewnętrzna przyłącza od strony wylotowej [mm]

50

Do pobrania