Pompa obiegowa WILO VeroLine-IPL 30/90-0,25/2 typu in-line z silnikiem znormalizowanym 50 Hz, moc silnika 0.25kW 0.6 A 2860 obr/min, wlot GZGW 2''
Przyłącza kołnierzowe z przyłączami pomiarowymi ciśnienia R 1/8. Korpus pompy i latarnia z powłoką kataforetyczną.
Dane eksploatacyjne
*temperatura przetłaczanej cieczy: -20 oC
*temperatura otoczenia: -15 oC
*Maks. ciśnienie robocze: 10 bar
*Wskaźnik minimalnej energochłonności (MEI): 0,4
Dane silnika
*Klasa sprawności energetycznej silnika:
*Przyłącze sieciowe:
*Tolerancja napięcia:
*Moc znamionowa : 250
*Znamionowa prędkość obrotowa: 2860 Obroty / min
*Prąd znamionowy: 0,6 A
*Współczynnik mocy: 0,81
*Sprawność silnika ηm 50 %: 71
*Sprawność silnika ηm 75 %: 75
*Sprawność silnika ηm 100 %: 69,9
*Klasa izolacji: F
*Stopień ochrony:
Materiały
*Korpus pompy: EN-GJL-250
*Wirnik:
*Wał: Stal nierdzewna
*Uszczelnienie wału: AQ1EGG
*Latarnia: EN-GJL-250
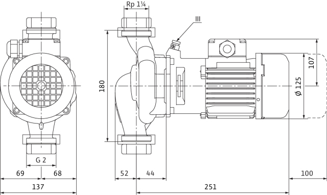
Wymiary montażowe
*Przyłącze gwintowane po stronie ssawnej: G 2
*Przyłącze gwintowane po stronie tłocznej: G 2
*Długość montażowa: 180 mm
Informacje na temat umiejscowienia zamówień
*Produkt:
*Nazwa produktu: VeroLine-IPL 30/90-0,25/2
*Masa netto ok.: 9 kg
*Numer artykułu: 2089576
Dane techniczne
Częstotliwość
50 Hz
Długość wbudowania [mm]
180
Gatunek materiału korpusu pompy
Żeliwo GG 25
Gatunek materiału wirnika
PP-GF
Klasa ciśnienia kołnierza przyłącza wlotowego
PN 10
Klasa ciśnienia kołnierza przyłącza wylotowego
PN 10
Klasa efektywności energetycznej silnika
IE2
Klasa izolacji wg IEC
F
Kształt końcówki
Okrągły
Liczba faz
3
Maks. ciśnienie robocze [bar]
10
Maks. wydajność (maks. przepływ) [m³/h]
8,75
Maks. wysokość podnoszenia [m]
10,33
Materiał korpusu pompy
Żeliwo
Materiał wirnika
Polipropylen
Moc oddawana silnika (P2) [kW]
0,25
Przepływ nominalny (BEP) [m³/h]
5,39
Przyłącze od strony wlotowej
Gwint zewnętrzny gazowy walcowy
Przyłącze po stronie wylotowej
Gwint zewnętrzny gazowy walcowy
Prąd znamionowy [A]
0,6
Prędkość obrotowa [obr/min]
2860
Rodzaj przyłącza wlotowego
ISO 228-1
Rodzaj przyłącza wylotowego
ISO 228-1
Silnik standardowy
Tak
Stopień ochrony (IP)
IP55
Wskaźnik minimalnej sprawności (MEI)
0,4
Wysokość podnoszenia przy przepływie nominalnym (BEP) [kPa]
76,26
Zakres napięcia znamionowego [V]
400
Średnica nominalna przyłącza od strony wlotowej
2''
Średnica nominalna przyłącza od strony wylotowej
2 cale
Średnica zewnętrzna przyłącza od strony wylotowej [mm]
50
Do pobrania
Dane logistyczne
Opakowanie zbiorcze 1
Długość [m]
0,365
Szerokość [m]
0,18
Wysokość [m]
0,23







