Instalatorze, możesz zamówić kotły Vaillant ecoTEC pro za punkty PIK!
 

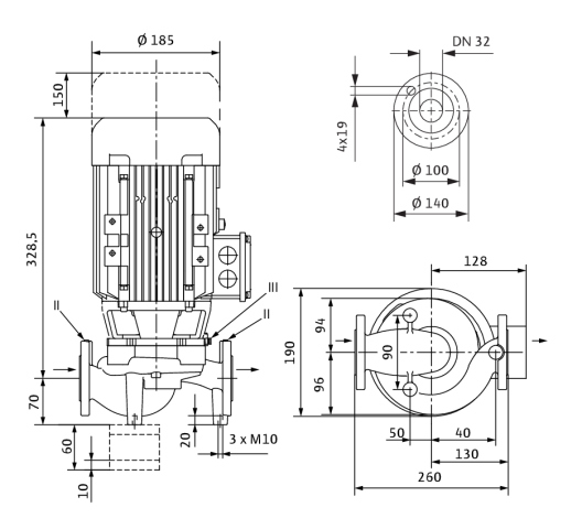
Pompa obiegowa WILO VeroLine-IPL 32/135-1,1/2-IE3 typu in-line z silnikiem znormalizowanym 50 Hz, moc silnika 1.1kW 2.41 A 2900 obr/min, wlot Kołnierz DN 32

Kod IK

812152930

Kod EAN

4048482580906

Kod producenta

2152930

Marka

WILO

Model

VeroLine-IPL 32/135-1,1/2-IE3

Cena katalogowa netto

1 269 EUR / szt.

Cena katalogowa brutto

1 560,87 EUR / szt.

Jednostopniowa dławnicowa pompa wirowa o zwartej konstrukcji Inline z zamocowanym bezpośrednio na kołnierzu silnikiem indukcyjnym trójfazowym i wałem niedzielonym lub z latarnią oraz silnikiem znormalizowanym, podłączonym na sztywno za pomocą sprzęgła (wersja N). Typoszereg IPL jest przeznaczony do montażu na rurociągu lub do ustawienia na fundamencie. Konsole są dostępne w ramach wyposażenia dodatkowego. Z niezależnym od kierunku obrotów mieszkowym uszczelnieniem mechanicznym z wymuszonym opływem oraz wirnikiem z tworzywa sztucznego redukującym kawitację.

Przyłącza kołnierzowe z przyłączami pomiarowymi ciśnienia R 1/8. Korpus pompy i latarnia z powłoką kataforetyczną.

Dane eksploatacyjne
*temperatura przetłaczanej cieczy: -20 oC
*temperatura otoczenia: -15 oC
*Maks. ciśnienie robocze: 10 bar
*Wskaźnik minimalnej energochłonności (MEI): 0,4
Dane silnika
*Klasa sprawności energetycznej silnika:
*Przyłącze sieciowe:
*Tolerancja napięcia:
*Moc znamionowa : 1100
*Znamionowa prędkość obrotowa: 2900 Obroty / min
*Prąd znamionowy: 2,41 A
*Współczynnik mocy: 0,81
*Sprawność silnika ηm 50 %: 78,9
*Sprawność silnika ηm 75 %: 82,1
*Sprawność silnika ηm 100 %: 82,7
*Klasa izolacji: F
*Stopień ochrony:
Materiały
*Korpus pompy: EN-GJL-250
*Wirnik:
*Wał: Stal nierdzewna
*Uszczelnienie wału: AQ1EGG
*Latarnia: EN-GJL-250
Wymiary montażowe
*Przyłącze gwintowane po stronie ssawnej: DN 32
*Przyłącze gwintowane po stronie tłocznej: DN 32
*Długość montażowa: 260 mm
Informacje na temat umiejscowienia zamówień
*Produkt:
*Nazwa produktu: VeroLine-IPL 32/135-1,1/2
*Masa netto ok.: 24,8 kg
*Numer artykułu: 2152930

Dane techniczne

Częstotliwość

50 Hz

Długość wbudowania [mm]

260

Gatunek materiału korpusu pompy

Żeliwo GG 25

Gatunek materiału wirnika

PP-GF

Klasa ciśnienia kołnierza przyłącza wlotowego

PN 10

Klasa ciśnienia kołnierza przyłącza wylotowego

PN 10

Klasa efektywności energetycznej silnika

IE3

Klasa izolacji wg IEC

F

Kształt końcówki

Okrągły

Liczba faz

3

Maks. ciśnienie robocze [bar]

10

Maks. wydajność (maks. przepływ) [m³/h]

10,29

Maks. wysokość podnoszenia [m]

25,02

Materiał korpusu pompy

Żeliwo

Materiał wirnika

Polipropylen

Moc oddawana silnika (P2) [kW]

1,1

Przepływ nominalny (BEP) [m³/h]

10,29

Przyłącze od strony wlotowej

Kołnierz

Przyłącze po stronie wylotowej

Kołnierz

Prąd znamionowy [A]

2,41

Prędkość obrotowa [obr/min]

2900

Rodzaj przyłącza wlotowego

EN 1092-2

Rodzaj przyłącza wylotowego

EN 1092-2

Silnik standardowy

Tak

Stopień ochrony (IP)

IP55

Wskaźnik minimalnej sprawności (MEI)

0,4

Wysokość podnoszenia przy przepływie nominalnym (BEP) [kPa]

217,41

Zakres napięcia znamionowego [V]

400

Średnica nominalna przyłącza od strony wlotowej

DN 32

Średnica nominalna przyłącza od strony wylotowej

DN 32

Średnica zewnętrzna przyłącza od strony wylotowej [mm]

32

Dane logistyczne

Opakowanie zbiorcze 1

Długość [m]

0,6

Szerokość [m]

0,4

Wysokość [m]

0,525