Instalatorze, możesz zamówić kotły Vaillant ecoTEC pro za punkty PIK!
 

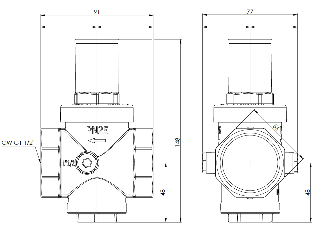
Standardowy reduktor ciśnienia wody BPR 405, GW G1 1/2'', 1 ÷ 5,5 bar

Kod IK

809040510

Kod EAN

5902510013912

Kod producenta

9040510

Marka

AFRISO

Model

Brak modelu

Cena katalogowa netto

101 EUR / szt.

Cena katalogowa brutto

124,23 EUR / szt.

Korpus wykonany z mosiądzu.
Reduktor fabrycznie ustawiony na ciśnienie wylotowe 3 bar.
Opcjonalny manometr wskazuje ciśnienie za reduktorem i umożliwia kontrolę jego pracy.

Zastosowanie

Stosowany w instalacjach wody pitnej, grzewczych i chłodzących.
Montowany na przyłączu wodociągowym za licznikiem wody lub w innym miejscu, gdzie wymagane jest obniżenie ciśnienia.
Obniża i stabilizuje ciśnienie wody do ustawionej wartości niezależnie od zmian ciśnienia na wlocie do reduktora.

Wydarzenia - AFRISO