Uponor Combi Port M-Pro szafka podtynkowa IW 1200x750X110mm 4HM+9BV
System rurowy z polibutenu i wielowarstwowego kompozytu (ML) oraz kształtki z PPSU i mosiądzu łączone przy użyciu unikalnych adaptorów modułowych
Specyfikacja
- Przyłącze całkowicie zmontowane i poddane próbie ciśnieniowej- Ograniczenia techniczne dotyczące stosowania w instalacjach wody grzewczej i wodno-kanalizacyjnych przedstawiono w kartach danych technicznych- Obejmy rurowe z tworzywa sztucznego zapewniają wyciszenie i izolację termiczną- Zawór PM z opatentowaną technologią potrójnego uszczelnienia i certyfikatem DVGW- Izolacja termiczna rur doprowadzających- Termostatyczny zawór obejściowy- Punkt czerpalny wody zimnej- Element dystansowy do ciepłomierza 110 mm × 3/4″- Element dystansowy do wodomierza 110 mm × 3/4″- Zawór odpowietrzający i spustowy- Filtr siatkowy 0,5 mm do wody zimnej- Filtr siatkowy 0,5 mm do głównej rury doprowadzającej ogrzewanie- Możliwość podłączenia (w oznaczonym miejscu) końcówki oczkowej uziemienia obwodu elektrycznego- Maks. ciśnienie robocze, obieg ogrzewania: PN 10- Maks. ciśnienie robocze, obieg wody: PN 10- Maks. temperatura robocza: 85°C- Maks. różnica ciśnień pierwotnego obiegu ogrzewania: 2,5 bara- Min. ciśnienie, obieg wody: 2,0 bara- Materiał złączki, obieg wody: CW617N- Materiał złączki, obieg ogrzewania: CW617N, CW614N- Materiał rury: stal nierdzewna 1.4401- Wymiary: szer. × wys. × gł. — 556 × 620 × 110 mm
Podanie
- Zdecentralizowane natychmiastowe wytwarzanie ciepłej wody użytkowej- Systemy ogrzewania podłogowego- Promiennikowe systemy ogrzewania
Potwierdzenie
Certyfikaty:- Atest higieniczny PZH- Deklaracja DoC
Wymiary
- Wysokość jednostki przedmiotu: 110
- Item_UOM: szt.
- Szerokość jednostki elementu: 750
- Masa jednostkowa przedmiotu: 20
- Długość jednostki przedmiotu: 1200
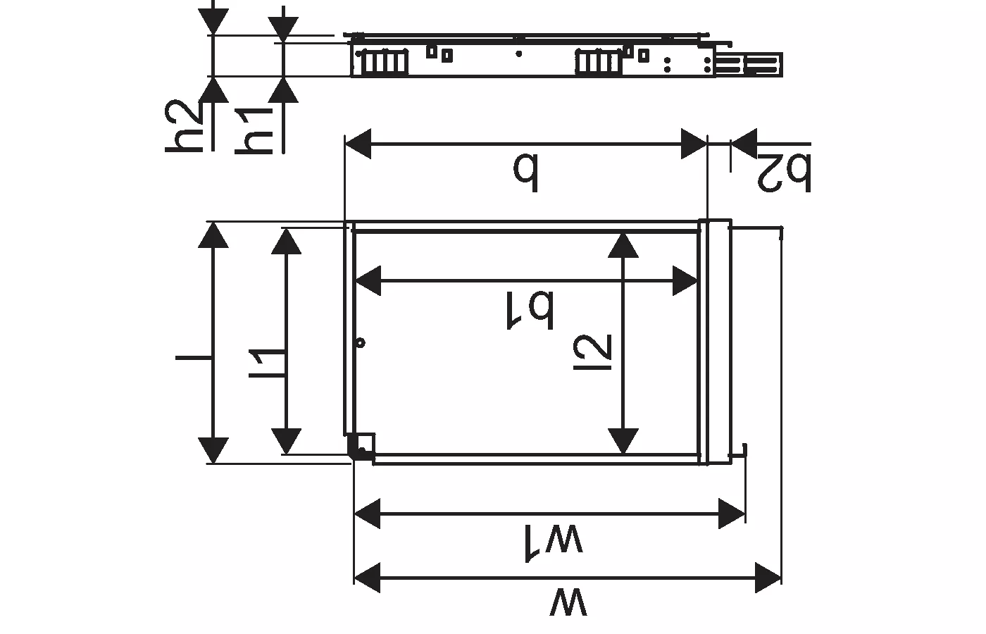
Pomiary
- Długość (l1): 750
- Z Pomiar godz: 110
- Z Pomiar b1: 23
- Z Pomiar w1: 1190
- Z Pomiar b: 1190
- Z Pomiar z: 1440
- DŁUGOŚĆ_L: 795
- Z Pomiar h1: 135
Do pobrania
Dane logistyczne
Opakowanie zbiorcze 1
Jednostka zbiorcza opak.
opak
Masa brutto [kg]
32
Długość [m]
1,22
Szerokość [m]
0,795
Wysokość [m]
0,29
Opakowanie zbiorcze 2
Jednostka zbiorcza opak.
paleta
Ilość
8
Masa brutto [kg]
280
Długość [m]
1,2
Szerokość [m]
0,8
Wysokość [m]
1,4


