Uponor Q&E Złączka GW PL 20xRp1/2''FT
System rurowy z polibutenu i wielowarstwowego kompozytu (ML) oraz kształtki z PPSU i mosiądzu łączone przy użyciu unikalnych adaptorów modułowych
Specyfikacja
- Złączki i pierścienie Q&E do rur Uponor Pex- Złączki metalowe są wykonane z wysokiej jakości mosiądzu- Złączki z tworzywa sztucznego są wykonane z polifenylosulfonu- Jeśli nie podano inaczej, pierścienie Q&E należy zamawiać oddzielnie
Podanie
Jeśli nie podano inaczej:- Gwint zewnętrzny i wewnętrzny zgodny z normą EN 10226-1
Wymiary
- Długość jednostki przedmiotu: 43.5
- Masa jednostkowa przedmiotu: 0,054
- Wysokość jednostki przedmiotu: 28
- Item_UOM: szt.
- Szerokość jednostki elementu: 28
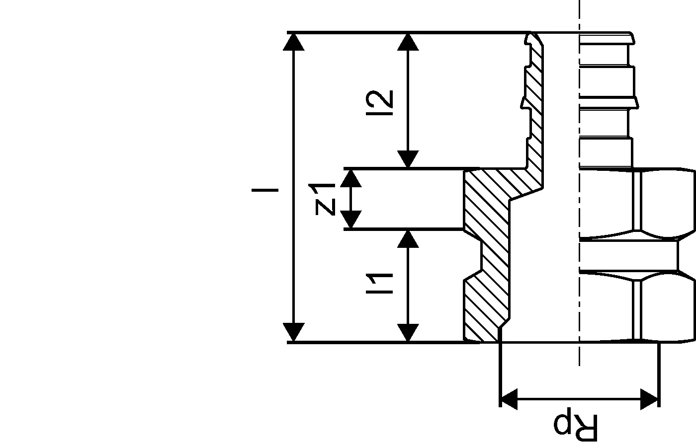
Pomiary
- Gwint wewnętrzny Rp: 1/2
- z1: 5
- Długość (l1): 17
- DŁUGOŚĆ_L: 43,5
- Długość (l2): 22
Do pobrania
Dane logistyczne
Opakowanie zbiorcze 1
Jednostka zbiorcza opak.
opak
Ilość
15
Masa brutto [kg]
1,24
Długość [m]
0,167
Szerokość [m]
0,067
Wysokość [m]
0,089
Opakowanie zbiorcze 2
Jednostka zbiorcza opak.
opak
Ilość
60
Masa brutto [kg]
5,05
Długość [m]
0,277
Szerokość [m]
0,179
Wysokość [m]
0,095
Opakowanie zbiorcze 3
Jednostka zbiorcza opak.
paleta
Ilość
5760
Masa brutto [kg]
510
Długość [m]
1,2
Szerokość [m]
0,8
Wysokość [m]
0,806


