Wilo-Helix V 2204-2/25/V/KS/400-50 pompa wysokociśnieniowa pionowa z króćcami Inline
Wysokociśnieniowa, pionowa pompa wirowa o najwyższej sprawności, z króćcami Inline
*Normalnie zasysająca wysokociśnieniowa wirowa pompa odśrodkowa ma zwartą konstrukcję i jest łatwa w konserwacji. Wał pompy i wał silnika odpowiadający normom IEC są połączone złączką zaciskową, a oddzielne łożysko toczne latarni zapewnia optymalne przejęcie sił osiowych. Łożyska pośrednie w układzie hydraulicznym i wał odporny na korozję z tuleją ze stali nierdzewnej gwarantują długą żywotność. Specjalne, trwale przymocowane osie podnoszące umożliwiają łatwy montaż pompy.
*Pompa służy do zaopatrywania w wodę i podwyższania ciśnienia, zarówno w przemysłowych systemach cyrkulacyjnych, jak i w obiegach wody procesowej i zamkniętych obiegach chłodzenia. Można ją również stosować jako element systemu przeciwpożarowego, w myjniach, a także do nawadniania.
*Cechy szczególne/zalety produktu
*Zoptymalizowana sprawność, spawana laserowo i wysokowydajna hydraulika 2D/3D z przepływem i optymalizacją trybu odgazowania
*Wirniki, kierownice, obudowy stopnia z materiału odpornego na korozję
*Korpus pompy zoptymalizowany pod względem przepływu i wartości nadwyżki antykawitacyjnej
*Przyjazna w konserwacji konstrukcja z wyjątkowo solidną osłoną sprzęgła
*Dopuszczenie do stosowania z wodą użytkową dla pomp na wszystkie części ze stali nierdzewnej, które mają kontakt z medium (wersja EPDM)
*Zakres dostawy
*Wysokociśnieniowa pompa wirowa Wilo-Helix V
*Instrukcja montażu i obsługi
*Wskazówki dotyczące konstrukcji
*Zabezpieczenie silnika na prąd trójfazowy na zapytanie lub zapewnione przez Użytkownika
*Silnik prądu przemiennego z zabudowanym termicznym zabezpieczeniem silnika i kondensatorem
*Standardowe położenie skrzynki zaciskowej znajduje się nad króćcem ssącym, może jednak w razie potrzeby zostać zmienione
*Pompy typoszeregu Wilo-Helix V są wyposażone w przyjazne dla użytkownika uszczelnienie mechaniczne o konstrukcji kasetowej i seryjnie wyposażoną uszczelkę, co zapewnia łatwą konserwację
*Sprzęgło demontowalne (przy wartości ≥ 7,5 kW) umożliwia wymianę uszczelnienia mechanicznego bez konieczności demontażu silnika
*Elastyczny, dostępny w dwóch wersjach osiowania wzór latarni umożliwia bezpośredni dostęp do uszczelnienia mechanicznego
*Okrągłe przeciwkołnierze z żeliwa szarego lub stali nierdzewnej, śruby, nakrętki i uszczelki dla pomp wersji PN 16 oraz PN 25 oraz Pmax = 30 bar są dostępne jako wyposażenie dodatkowe
*Zestawy obejść są dostępne w ramach wyposażenia dodatkowego
*Pompa Wilo-Helix V(F) w wersji z certyfikatem VdS jest dostępna na zamówienie.
Dane eksploatacyjne
Dane produktu
*Min. temperatura przetłaczanej cieczy: -15 oC
*Maks. temperatura przetłaczanej cieczy: 90 oC
*Maks. temperatura otoczenia: 50 oC
*Maks. ciśnienie robocze: 25 bar
*Ciśnienie na dopływie: 10 bar
*Wskaźnik minimalnej energochłonności (MEI): 0,7
Dane silnika
*Przyłącze sieciowe:
*Tolerancja napięcia:
*Znamionowa moc silnika: 5500
*Klasa sprawności energetycznej silnika:
*Prąd znamionowy: 10,5 A
*Znamionowa prędkość obrotowa: 2900 Obroty / min
*Współczynnik mocy: 0,86
*Sprawność silnika ηm 50 %: 87,1
*Sprawność silnika ηm 75 %: 89
*Sprawność silnika ηm 100 %: 89,2
*Klasa izolacji: F
*Stopień ochrony:
Materiały
*Korpus pompy: Stal nierdzewna
*Wirnik: Stal nierdzewna
*Wał: Stal nierdzewna
*Uszczelnienie wału: U3BVGG
*Materiał uszczelnienia: FKM
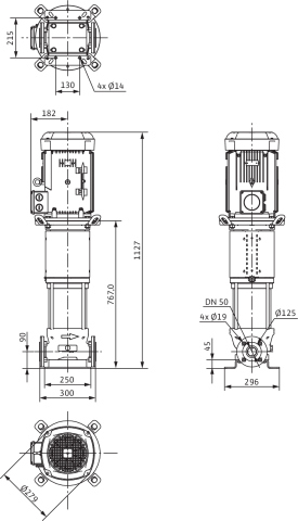
Wymiary montażowe
*Przyłącze gwintowane po stronie ssawnej: DN 25
*Przyłącze gwintowane po stronie tłocznej: DN 25
Informacje na temat umiejscowienia zamówień
*Produkt:
*Nazwa produktu: HELIX V2204-2/25/V/KS/400-50
*Masa netto ok.: 90 kg
*Numer artykułu: 4139778
Dane techniczne
Częstotliwość
50 Hz
Długość wbudowania [mm]
300
Gatunek materiału korpusu pompy
Stal nierdzewna 316
Gatunek materiału połączenia
Stal nierdzewna 316
Gatunek materiału wirnika
Stal nierdzewna 316 L
Klasa ciśnienia kołnierza przyłącza wlotowego
PN 25
Klasa ciśnienia kołnierza przyłącza wylotowego
PN 25
Klasa efektywności energetycznej silnika
IE3
Klasa izolacji wg IEC
F
Kształt końcówki
Okrągły
Liczba faz
3
Maks. ciśnienie robocze [bar]
25
Maks. wydajność (maks. przepływ) [m³/h]
35
Maks. wysokość podnoszenia [m]
70,78
Materiał korpusu pompy
Stal nierdzewna
Materiał połączenia
Stal nierdzewna
Materiał wirnika
Stal nierdzewna
Moc oddawana silnika (P2) [kW]
5,5
Model
Pionowy
Podłączenie elektryczne
Zaciski
Przyłącze od strony wlotowej
Kołnierz
Przyłącze po stronie wylotowej
Kołnierz
Prąd znamionowy [A]
10,5
Prędkość obrotowa [obr/min]
2900
Regulacja obrotów silnika
Brak
Rodzaj przyłącza wlotowego
EN 1092-1
Rodzaj przyłącza wylotowego
EN 1092-1
Stopień ochrony (IP)
IP55
Układ komunikacji
Brak
Wskaźnik minimalnej sprawności (MEI)
0,7
Wysokość pompy [mm]
172
Zakres napięcia znamionowego [V]
400
Średnica nominalna przyłącza od strony wlotowej
DN 50
Średnica nominalna przyłącza od strony wylotowej
DN 50
Średnica zewnętrzna przyłącza od strony wylotowej [mm]
50
Do pobrania
Dane logistyczne
Opakowanie zbiorcze 1
Długość [m]
0,465
Szerokość [m]
1,62
Wysokość [m]
0,66







