Instalatorze, możesz zamówić kotły Vaillant ecoTEC pro za punkty PIK!
 

Wilo-Stratos GIGA B 32/1-51/4,5 pompa dławnicowa blokowa, silnik klasy IE5

Kod IK

812189098

Kod EAN

4048482778242

Kod producenta

2189098

Marka

WILO

Model

Stratos GIGA B

Cena katalogowa netto

10 816 EUR / szt.

Cena katalogowa brutto

13 303,68 EUR / szt.

Pompa blokowa o najwyższej sprawności z silnikiem EC z klasą sprawności energetycznej IE5 zgodnie z IEC 60034-30-2, elektronicznie regulowana, o konstrukcji dławnicowej. Pompa jest wykonana jako jednostopniowa, niskociśnieniowa pompa wirowa z przyłączem kołnierzowym i uszczelnieniem mechanicznym. Pompa Stratos GIGA B jest przede wszystkim przeznaczona do tłoczenia wody grzewczej (zgodnie z VDI 2035), wody zimnej i mieszanin woda-glikol niezawierających substancji powodujących abrazję, w instalacjach grzewczych, klimatyzacyjnych i chłodniczych.



Budowa:

*Jednostopniowa niskociśnieniowa pompa wirowa z niedzielonym wałem o konstrukcji blokowej, ze stopą na korpusie pompy

*Wymiary kołnierza i korpusu zgodnie z normą EN 733

*Kołnierze PN 16 - nawiercone zgodnie z EN 1092-2

*Przyłącza pomiarowe ciśnienia (R 1/8) do zamontowanego czujnika różnicy ciśnień (wersja ...-R1 bez czujnika różnicy ciśnień)

*Korpus pompy i kołnierz silnika standardowo z powłoką kataforetyczną

*Uszczelnienie mechaniczne do tłoczenia wody o temperaturze do Tmax. = +140 oC. Do T ≤ +40 oC dopuszczalna jest domieszka glikolu od 20 % do 40 % objętości. W przypadku mieszanin woda/glikol z zawartością glikolu > 40 % max. do 50 % objętości i o temperaturze przetłaczanej cieczy od > +40 oC do max. +120 oC lub mediów innych niż woda należy zastosować alternatywne uszczelnienie mechaniczne.

*Napięcie zasilania 3~ 480 V ±10 %, 50/60 Hz, 3~ 440 V ±10 %, 50/60 Hz, 3~ 400 V ±10 %, 50/60 Hz, 3~ 380 V -5 % +10 %, 50/60 Hz



Wyposażenie dodatkowe:

*Konsole do mocowania na fundamencie

*Zestawy czujników różnicy ciśnień 0 - 10 V do pomp w wersji ...-R1

*IR-Monitor

*IR-Stick

*IF-Moduł PLR

*IF-Moduł LON

*IF-Moduł Modbus

*IF-Moduł BACnet

*IF-Moduł CAN



Wyposażenie standardowe:

*Poziom obsługi ręcznej za pomocą zielonego pokrętła z następującymi funkcjami:

**Włączanie/wyłączanie pompy

**Wybór rodzaju regulacji: Δp-c (stała różnica ciśnień), Δp-v (zmienna różnica ciśnień), regulator PID, n-constant (tryb regulacji ręcznej)

**Ustawienie wartości zadanej lub prędkości obrotowej

**Konfiguracja parametrów roboczych

**Potwierdzenie błędu

*Wyświetlacz pompy wskazujący:

**Tryb regulacji

**Wartość zadaną (np. różnicy ciśnień lub prędkości obrotowej)

**Komunikaty o błędach i komunikaty ostrzegawcze

**Wartości rzeczywiste (np. poboru mocy, wartości rzeczywistej czujnika)

**Dane robocze (np. godziny pracy, zużycie energii)

**Dane dotyczące stanu (np. stan przekaźnika SSM i SBM)

**Dane urządzenia (np. nazwa pompy)

**Rodzaj pracy (tylko w zastosowaniu z trójnikiem rurowym: Praca/rezerwa, tryb pracy z dołączaniem)



Funkcje dodatkowe:

*Interfejsy analogowe 0-10 V, 2-10 V, 0-20 mA, 4-20 mA, zintegrowany system zarządzania pracą pomp podwójnych do zastosowania w kształtce rozgałęźnej, dwa przekaźniki sygnalizacji pracy i awarii z możliwością konfiguracji, konfigurowana reakcja w przypadku usterki dostosowana do instalacji grzewczych i klimatyzacyjnych, blokada dostępu na pompie, wbudowane pełne zabezpieczenie silnika (czujnik termistorowy) z wyzwalaczem elektronicznym, standardowe otwory odpływowe kondensatu w korpusie silnika (w stanie fabrycznym zamknięte), złącze na podczerwień do bezprzewodowej komunikacji z urządzeniem kontrolno-serwisowym Wilo-IR-Moduł i Wilo-IR-Stick, gniazdo do IF-Modułów Wilo Modbus, BACnet, CAN, PLR, LON do podłączenia do automatyki budynku

Dane eksploatacyjne
*temperatura przetłaczanej cieczy: -20 oC
*temperatura otoczenia: 0 oC
*Maks. ciśnienie robocze: 16 bar
*: 16 bar do 120oC, 13 bar do 140oC
*Wskaźnik minimalnej energochłonności (MEI): 0,7
Dane silnika
*Klasa sprawności energetycznej silnika:
*Generowanie zakłóceń:
*Odporność na zakłócenia:
*Przyłącze sieciowe: 3~380 V, 50/60 Hz 3~400 V, 50/60 Hz 3~440 V, 50/60 Hz 3~480 V, 50/60 Hz
*Moc znamionowa : 4500
*Prędkość obrotowa maks.: 4600 Obroty / min
*Prąd znamionowy: 8,1 A
*Klasa izolacji: F
*Stopień ochrony silnika:
*Zabezpieczenie silnika:
Materiały
*Korpus pompy: 5.1301, KTL-beschichtet
*Wirnik:
*Wał: Stal nierdzewna
*Uszczelnienie wału: AQ1EGG
*Latarnia: 5.1301, KTL-beschichtet
Wymiary montażowe
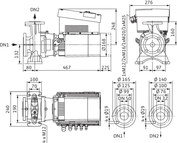
*Przyłącze gwintowane po stronie ssawnej: DN 50
*Przyłącze gwintowane po stronie tłocznej: DN 32
Informacje na temat umiejscowienia zamówień
*Produkt:
*Nazwa produktu: Stratos GIGA B 32/1-51/4,5
*Masa netto ok.: 40 kg
*Numer artykułu: 2189098

Dane techniczne

Częstotliwość

50/60 Hz

Długość pompy [mm]

539

Gatunek materiału korpusu pompy

Żeliwo GG 25

Gatunek materiału wirnika

PP-GF

Klasa ciśnienia kołnierza przyłącza wlotowego

PN 16

Klasa ciśnienia kołnierza przyłącza wylotowego

PN 16

Klasa efektywności energetycznej silnika

IE5

Klasa izolacji wg IEC

F

Kształt końcówki

Okrągły

Liczba faz

3

Maks. ciśnienie robocze [bar]

16

Maks. wydajność (maks. przepływ) [m³/h]

35

Maks. wysokość podnoszenia [m]

51

Materiał korpusu pompy

Żeliwo

Materiał wirnika

Polipropylen

Moc oddawana silnika (P2) [kW]

4,2

Odległość między osiami przyłącza ssawnego/tłocznego [mm]

80

Przepływ nominalny (BEP) [m³/h]

25,95

Przyłącze od strony wlotowej

Kołnierz

Przyłącze po stronie wylotowej

Kołnierz

Prąd znamionowy [A]

8,1

Prędkość obrotowa [obr/min]

4600

Rodzaj napędu

Elektryczny

Rodzaj przyłącza wlotowego

EN 1092-2

Rodzaj przyłącza wylotowego

EN 1092-2

Stopień ochrony (IP)

IP55

Temperatura otoczenia [°C]

40

Wskaźnik minimalnej sprawności (MEI)

0,7

Wysokość części tłoczącej [mm]

276

Wysokość części zasysającej [mm]

132

Wysokość podnoszenia przy przepływie nominalnym (BEP) [kPa]

412,08

Zakres napięcia znamionowego [V]

400

Średnica nominalna przyłącza od strony wlotowej

DN 50

Średnica nominalna przyłącza od strony wylotowej

DN 32

Średnica zewnętrzna przyłącza od strony wylotowej [mm]

32

Do pobrania

Dane logistyczne

Opakowanie zbiorcze 1

Długość [m]

0,795

Szerokość [m]

0,515

Wysokość [m]

0,615