Instalatorze, możesz zamówić kotły Vaillant ecoTEC pro za punkty PIK!
 

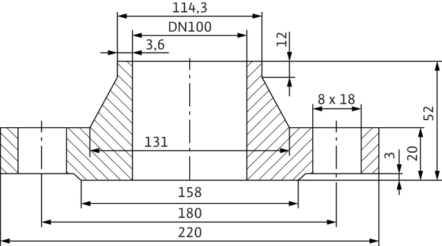
Zestaw przeciwkołnierzy DN 100, PN 10

Kod IK

812105587

Kod EAN

4048482089522

Kod producenta

2105587

Marka

WILO

Model

Brak modelu

Cena katalogowa netto

214 EUR / szt.

Cena katalogowa brutto

263,22 EUR / szt.


Dane techniczne
*Przyłącze wejścia: DN 100
*Przyłącze wyjścia: DN 100
*Ciśnienie nominalne:
*Materiał : Stal nierdzewna
*Masa: 11,2 kg
*Produkt:
*Nr art.: 2105587

Dane logistyczne

Opakowanie zbiorcze 1

Długość [m]

0,225

Szerokość [m]

0,225

Wysokość [m]

0,16

Opakowanie zbiorcze 2

Jednostka zbiorcza opak.

opak

Ilość

15