Instalatorze, możesz zamówić kotły Vaillant ecoTEC pro za punkty PIK!
 

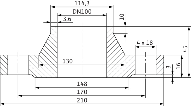
Zestaw przeciwkołnierzy DN 100, PN 6

Kod IK

812105586

Kod EAN

4048482089515

Kod producenta

2105586

Marka

WILO

Model

Brak modelu

Cena katalogowa netto

151 EUR / szt.

Cena katalogowa brutto

185,73 EUR / szt.


Dane techniczne
*Przyłącze wejścia: DN 100
*Przyłącze wyjścia: DN 100
*Ciśnienie nominalne:
*Materiał : Stal nierdzewna
*Masa: 7,4 kg
*Produkt:
*Nr art.: 2105586

Dane logistyczne

Opakowanie zbiorcze 1

Długość [m]

0,225

Szerokość [m]

0,225

Wysokość [m]

0,16

Opakowanie zbiorcze 2

Jednostka zbiorcza opak.

opak

Ilość

15