Zestaw przeciwkołnierzy stal nierdzewna, przył. DN 40 dł.130mm szer.130mm WILO
Dane techniczne
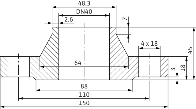
*Przyłącze wejścia: DN 40
*Przyłącze wyjścia: DN 40
*Ciśnienie nominalne:
*Materiał : Stal nierdzewna
*Masa: 4,7 kg
*Produkt:
*Nr art.: 2105579
Dane techniczne
Długość [mm]
130
Materiał
Stal nierdzewna
Nominalna średnica wewnętrzna przyłącza pompy
DN 40
Nominalna średnica wewnętrzna rury łączeniowej
DN 40
Rodzaj akcesorium
Zestaw przeciwkołnierzy
Szerokość [mm]
130
Dane logistyczne
Opakowanie zbiorcze 1
Długość [m]
0,215
Szerokość [m]
0,195
Wysokość [m]
0,1
Opakowanie zbiorcze 2
Jednostka zbiorcza opak.
opak
Ilość
20







