Zestaw przeciwkołnierzy stal nierdzewna, przył. DN 50 dł.140mm szer.140mm WILO
Dane techniczne
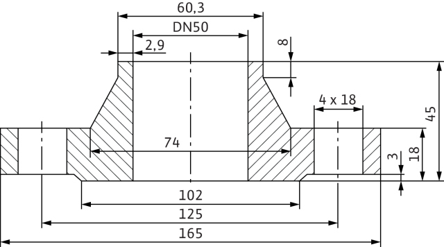
*Przyłącze wejścia: DN 50
*Przyłącze wyjścia: DN 50
*Ciśnienie nominalne:
*Materiał : Stal nierdzewna
*Masa: 5,9 kg
*Produkt:
*Nr art.: 2105581
Dane techniczne
Długość [mm]
140
Materiał
Stal nierdzewna
Nominalna średnica wewnętrzna przyłącza pompy
DN 50
Nominalna średnica wewnętrzna rury łączeniowej
DN 50
Rodzaj akcesorium
Zestaw przeciwkołnierzy
Szerokość [mm]
140
Dane logistyczne
Opakowanie zbiorcze 1
Długość [m]
0,215
Szerokość [m]
0,195
Wysokość [m]
0,1
Opakowanie zbiorcze 2
Jednostka zbiorcza opak.
opak
Ilość
20







