Instalatorze, możesz zamówić kotły Vaillant ecoTEC pro za punkty PIK!
 

Złącze czwórnik RUMET Mosiądz 1/4'' (GZ)

Kod IK

C24518

Kod EAN

5900000037547

Kod producenta

4518

Marka

RUMET

Model

GZ

Cena katalogowa netto

81,75 zł / szt.

Cena katalogowa brutto

100,55 zł / szt.


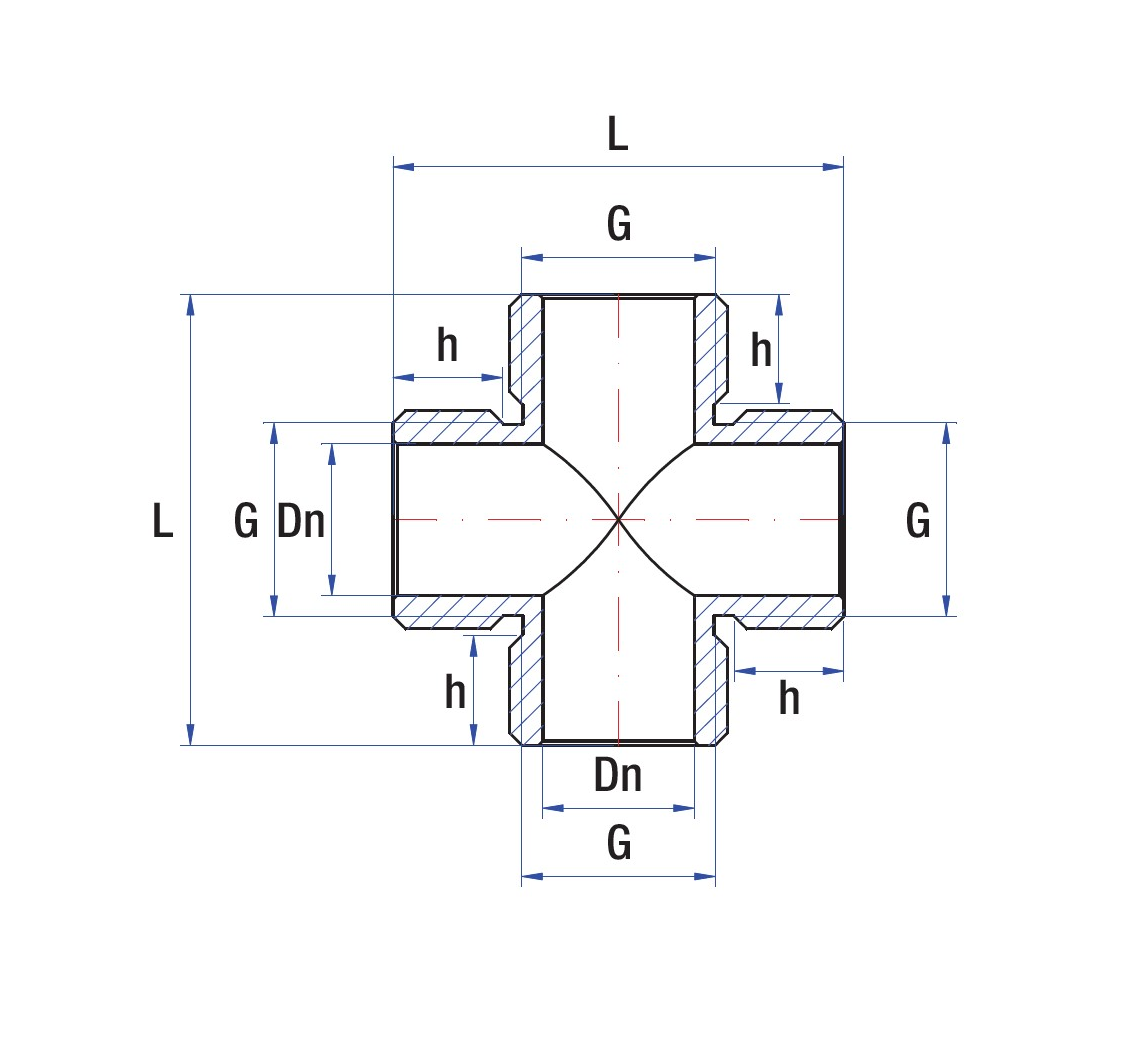
charakterystyka
opakowanie - ilość szt.
masa jedn.
nr kat.
G
L
Dn
h
woreczek
karton
kg
3/4"
55,5
18,5
12
10
40
0,13
4518

Dane techniczne

Materiał

Mosiądz

Nominalna średnica wewnętrzna połączenia 3

3/4''

Nominalna średnica wewnętrzna połączenia 4

3/4''

Połączenie 1

Gwint zewnętrzny

Połączenie 2

Gwint zewnętrzny

Połączenie 3

Gwint zewnętrzny

Połączenie 4

Gwint zewnętrzny

Znamionowa średnica wewnętrzna połączenia 1

3/4''

Znamionowa średnica wewnętrzna połączenia 2

3/4''

Dane logistyczne

Opakowanie zbiorcze 1

Jednostka zbiorcza opak.

opak

Ilość

2

Opakowanie zbiorcze 2

Jednostka zbiorcza opak.

opak

Ilość

40

Opakowanie zbiorcze 3

Jednostka zbiorcza opak.

opak

Ilość

100