Złącze redukcja RUMET mosiądz 2'' x 1 1/4'' (GZ x GW), 32 mm
|
charakterystyka
|
opakowanie - ilość szt.
|
masa jedn.
|
nr kat.
|
||||||
|
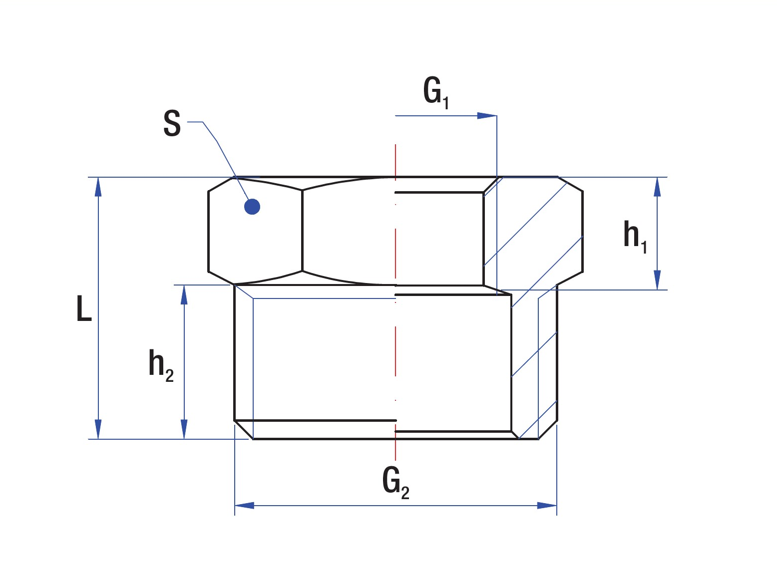
G1
|
G2
|
L
|
h1
|
h2
|
S
|
woreczek
|
karton
|
kg
|
|
|
1/4"
|
3/8"
|
16
|
8
|
9
|
17
|
10
|
400
|
0,02
|
0255
|
|
M12x1,5
|
1/2"
|
17
|
8
|
8
|
21
|
10
|
200
|
0,03
|
0026
|
|
1/4"
|
1/2"
|
17
|
8
|
9
|
21
|
10
|
200
|
0,03
|
0027
|
|
3/8"
|
1/2"
|
17
|
9
|
9
|
21
|
10
|
200
|
0,03
|
0028
|
|
1/2"
|
3/4"
|
18
|
10
|
10
|
27
|
10
|
200
|
0,04
|
0030
|
|
1/2"
|
1"
|
21
|
10
|
12
|
34
|
5
|
80
|
0,08
|
0032
|
|
3/4"
|
1"
|
21
|
11
|
13
|
34
|
5
|
80
|
0,07
|
0033
|
|
3/4"
|
5/4"
|
26
|
12
|
13
|
38
|
5
|
50
|
0,12
|
0280
|
|
1"
|
5/4"
|
18
|
15
|
13
|
45
|
5
|
60
|
0,086
|
0505
|
|
5/4"
|
2"
|
32
|
17
|
19
|
60
|
-
|
36
|
0,32
|
1163
|
|
1/2"
|
6/4"
|
28
|
8
|
15
|
47
|
-
|
30
|
0,22
|
1266
|
|
1"
|
6/4"
|
28
|
13
|
15
|
47
|
-
|
64
|
0,14
|
001169
|
|
5/4"
|
6/4"
|
28
|
14
|
15
|
47
|
-
|
50
|
0,12
|
0035
|
|
6/4"
|
2"
|
32
|
19
|
19
|
60
|
-
|
36
|
0,27
|
1162
|
|
1"
|
2"
|
32
|
19
|
19
|
60
|
-
|
50
|
0,20
|
000259
|
Dane techniczne
Długość [mm]
32
Materiał połączenia 1
Mosiądz
Model
Jednoczęściowy
Model redukcyjny
Tak
Model/kształt/forma
Prosty
Połączenie 1
Gwint zewnętrzny
Połączenie 2
Gwint wewnętrzny
Rodzaj złącza
Złącze
Znamionowa średnica wewnętrzna połączenia 1
2''
Znamionowa średnica wewnętrzna połączenia 2
1 1/4''
Dane logistyczne
Opakowanie zbiorcze 1
Jednostka zbiorcza opak.
opak
Opakowanie zbiorcze 2
Jednostka zbiorcza opak.
opak
Ilość
6
Opakowanie zbiorcze 3
Jednostka zbiorcza opak.
opak
Ilość
36








