Instalatorze, możesz zamówić kotły Vaillant ecoTEC pro za punkty PIK!
 

Ciśnieniomierz różnicowy AFRISO KP D411 0/1000 mbar mosiądz G1/2B aksjalne fi 160, kl. 1.6%

Kod IK

8035174411

Kod EAN

4049827008772

Kod producenta

35174411

Marka

AFRISO

Model

KP D411

Cena katalogowa netto

Na zapytanie

Przeznaczony do pomiaru ciśnień gazów suchych, które nie działają niszcząco na stopy miedzi.

Filmy

Dane techniczne

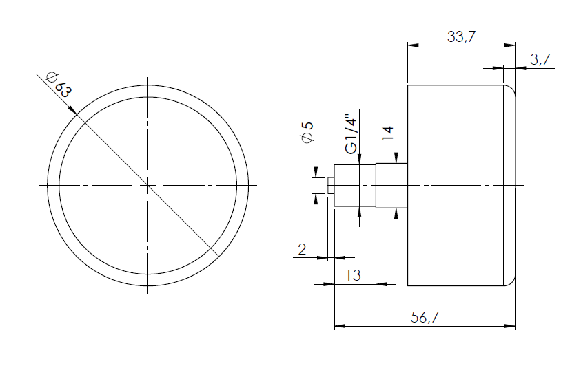
Klasa dokładności wg EN

1.6%

Materiał przyłącza procesowego

Mosiądz

Miejsce połączenia

aksjalne

Rozmiar przyłącza procesowego

G1/2B

Zakres skali (w barach)

0/1000 mbar

Średnica obudowy

160

Wydarzenia - AFRISO