MODUŁ TECHNICZNY DUO ECOLIFT XL POMPY 400V SPF3000-S1 z automatyczną klapą zwrotną do ścieków czarnychdo swob. ustawienia lub połączenia ze studz.
KESSEL Przepompownia przeciw. Ecolift XL, ścieków Ścieki zawierające fekalia i bez fekaliów, ustawienie swobodne, urządzenie dwupompowe, z 2 SPF 3000 pomp zatapialnych, typ pracy S1, czujnik alarmu z Sonda optyczna, sterownik Comfort Plus z redundancją
- Usuwanie ścieków bez przerywania pracy nawet podczas awarii zasilania, o ile nie występuje cofka
- rzadka praca pompy
- minimalny hałas
Przepompownia przeciw. Ecolift XL Duo, 2 klapy silnik, SPF 3000-S1
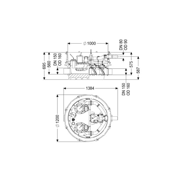
Przepompownia przeciwalewowa do ścieków zawierających fekalia i bez fekaliów jest wyposażona w dwie pompy zatapialne, dwa systemy zamykania za pomocą silnika oraz zawór zwrotny. Zbiornik wykonany z trwałego tworzywa sztucznego (PE) posiada zamkniętą komorę pompy. Zamknięcia szybkomocujące umożliwiają łatwe wyjęcie zintegrowanych komponentów. W normalnym stanie przekrój rury jest otwarty i woda odprowadzana jest przez naturalny spadek do kanału. Przepływ zwrotny zostaje rozpoznany przez sondę optyczną, systemy zamykania zostają automatycznie zamknięte i swobodny przepływ do kanału nie jest już możliwy. Odprowadzanie w trakcie fazy przepływu zwrotnego odbywa się przez przewód tłoczny, który transportuje ścieki do kanału. Przewód tłoczny należy wykonać w formie spawanej rury PE, która w przypadku pompy SPF 4500, będzie dodatkowo doprowadzona do studzienki wyrównującej ciśnienie. Sterowanie następuje przy pomocy przyjaznego dla użytkownika urządzenia sterującego, które można opcjonalnie poprzez kontakt bezpotencjałowy włączyć w system zarządzania budynkiem lub które może poprzez złącze GSM generować komunikaty zbiorcze o alarmach i zakłóceniach. Dodatkowe sterownik gwarantuje dodatkowe bezpieczeństwo. Dzięki modułowej budowie systemu KESSEL możliwe jest rozszerzenie o różne nasady lub warianty studzienki technicznej dostępnych jako osprzęt.
Wersja
- Wskazówka dotycząca głębokości zabudowy: Wariant z pogłębioną zabudową
- Typ urządzenia: urządzenie dwupompowe
- Zasuwa odcinająca: Zasuwa odcinająca z tworzywa sztucznego
- Uszczelka do przeprowadzenia przewodu rurowego (DN): 100
- Uszczelka przelotowa do przewodu wentylacyjnego (DN): 70
- Sterowanie pompą: sterownik
- Zawór zwrotny: zintegrowany
- Przewód tłoczny: poziomy
- Klapy zwrotne napędzane silnikiem: 2
Cechy ogólne
- Kolor: czarny
- Norma: ÖNORM B 2501
- Typ ścieków: Ścieki zawierające fekalia i bez fekaliów
- Sposób zabudowy: ustawienie swobodne
- Stan w momencie dostawy: wstępnie zmontowany do montażu końcowego w miejscu instalacji (pompy i czujniki do zamontowania w miejscu instalacji, urządzenie sterownicze do podłączenia)
- Ochrona przeciwzalewowa: Typ 6
- Aprobata: Z-53.2-493
Wymiary
- Ciężar netto: 141,89 kg
- Ciężar brutto: 163,06 kg
- Odporność na wodę gruntową od dolnej krawędzi dna: 3000 mm
- Spadek: 15 mm
- Długość: 1384 mm
- Szerokość: 1200 mm
- Wysokość: 695 mm
- Wymiar opakowania: dł.: 2000 mm
- Wymiar opakowania: szer.: 1300 mm
- Wymiar opakowania: wys.: 950 mm
Zbiornik/korpus
- Ciśnienie nominalne (PN): 10
- Przewód tłoczny (DN): 80
- Przewód tłoczny (DA): 90 mm
- Koryto: Kineta przelotowa
- Przyłącze odpowietrzające (DN): 70
- Odstęp między dnem rury odpływowej a dnem zbiornika: 120 mm
- Odstęp między dnem rury dopływowej a dnem zbiornika: 135 mm
- Liczba odpływów: 1
- Wielkość nominalna odpływu (DN): 150 mm
- Wielkość nominalna dopływu (DN): 150 mm
- Liczba dopływów: 1
- Szerokość w świetle zbiornika urządzenia (LW): 1000 mm
- Pojemność użytkowa: 20 l
- Pojemność zbiornika: 65 l
Przenośnik
- Pompa: SPF 3000
- Liczba pomp: 2
- Ciężar, pompa: 26 kg
- Typ przyłącza: Przyłącze bezpośrednie
- Prąd znamionowy: 5,4 A
- Długość przewodu sieciowego pompy: 10 m
- Klasa ochrony: I
- Klasa izolacji: F
- Współczynnik mocy Cos phi: 0,77
- Stopień ochrony pompy: IP 68 (3 m / 48 h)
- Nadzór temperatury: zintegrowany
- Maks. temperatura tłoczonego medium (przy pracy stałej): 40 °C
- Maks. wydajność tłoczenia: 36 m³/h
- Maks. wys. podnoszenia: 17,5 m
- Prędkość obrotowa: 2890 U/min
- Pobór mocy P1: 3,2 kW
- Pobór mocy P2: 2,7 kW
- Tryb roboczy: S1
- Wymagane zabezpieczenie (zabezpieczenie linii): 3 x C 20 A
- Typ przewodu przyłączeniowego pompy: H07RN-F 7G 1,5 mm²
- Typ wirnika: Wolny przelot
- Wolny przelot: 40 mm
Sterowanie
- Sterownik: Comfort Plus z redundancją
- Włącznik ochrony silnika: tak
- Pobór mocy w stanie czuwania: 5 W
- Czujnik alarmowy: Sonda optyczna
- Instrument do rozpoznania poziomu: Rura zanurzeniowa
- Typ pomiaru poziomu: pneumatyczny
- Stopień ochrony sterowniku: IP 54
- Napięcie robocze: 400 V
- Typ przyłącza: Przyłącze bezpośrednie
- Kontakt bezpotencjałowy: tak
- Złącze GSM: tak
- Złącze USB: tak
- Funkcja dziennika zdarzeń: tak
- Wyświetlacz wielowierszowy: tak
- Podtrzymywanie bateryjne: tak
- System samodiagnozy (SDS): tak
- Prąd znamionowy: 5,4 A







